Thông tin bộ trộn âm Keuco 59551019501:
- ✅Tên sản phẩm: Bộ trộn sen tắm âm tường
- ✅Mã sản phẩm: 59551019501
- ✅Chức năng: nóng lạnh
- ✅Bộ sưu tập: Ixmo
- ✅Chất liệu: Đồng
- ✅Màu sắc: Chrome
- ✅Xuất xứ: Đức
- ✅Hãng sản xuất: Keuco

Hình ảnh: Bộ trộn vòi sen âm tường Keuco 59551019501
Đặc điểm nổi bật của bộ trộn vòi lavabo âm tường Keuco 59551019501:
- ✅Xuất xứ Đức với độ chính xác cao và tiêu chuẩn cao
- ✅Độ bền vượt trội theo thời gian
- ✅2 đường nước vào, 1 đường nước ra
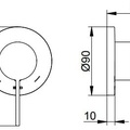
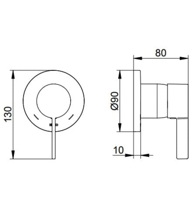
Thông số kỹ thuật bộ trộn sen tắm âm tường Keuco 59551019501:
- ✅Đường kính đầu chụp: 90mm
- ✅Mức âm tối thiểu 80mm, tối đa 11mm
Bản vẽ kỹ thuật bộ trộn âm sen tắm Keuco 59551019501

Thiết bị phòng tắm cao cấp LuxBath tự hào là nhà cung cấp bộ trộn sen tắm âm tường Keuco Đức 59551019501 với giá bán thấp nhất, dịch vụ tốt nhất trên thị trường.
Thông tin chi tiết liên hệ:
CÔNG TY CỔ PHẦN QUỐC TẾ LUXBATH
Hãy liên hệ 0 9 8 9 1 2 3 7 8 8 để được tư vấn miễn phí và nhận nhiều ưu đãi!