Axor là nhãn hiệu thiết bị vệ sinh cao cấp nhất thế giới về sen vòi bởi chất lượng, tính thẩm mỹ, tính chính xác và sự độc đáo.
Thông tin cơ bản về bát sen âm trần Axor 48493820
- ✅Tên sản phẩm: Bát sen tắm
- ✅Mã sản phẩm: 48493820
- ✅Nhãn hiệu: Axor
- ✅Chất liệu: Đồng mạ nickel
- ✅Màu sắc: Nickel
- ✅Hoàn thiện bên ngoài: Nickel xước
- ✅Kiểu bát sen: Bát sen âm trần
- ✅Xuất xứ: Đức
- ✅Bảo hành: 5 năm

Hình ảnh: Bát sen âm trần Đức Axor 48493820
- ✅Sản xuất tại Đức
- ✅Thiết kế thẩm mỹ, sang trọng
- ✅Bền đẹp mãi với thời gian
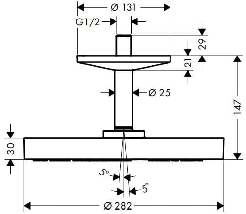
Thông số kỹ thuật bát vòi tắm hoa sen Đức Axor 48493820
- ✅Chiều dài từ trần đến mặt bát sen: 147mm
- ✅Đường kính bát sen: 282mm
Bản vẽ kỹ thuật bát sen bắt trần Đức Axor 48493820
.jpg)
Hình ảnh: Bản vẽ bát sen bắt âm trần Axor 48493820
Bạn nên xem thêm:
Thiết bị vệ sinh cao cấp LuxBath tự hào là nhà cung cấp bát sen tắm âm trần Đức Axor 48493820 với giá thấp nhất, dịch vụ sau bán hàng tốt nhất trên thị trường.
Thông tin chi tiết liên hệ:
CÔNG TY CỔ PHẦN QUỐC TẾ LUXBATH
Liên hệ hotline 0 9 8 9 1 2 3 7 8 8 để nhận nhiều ưu đãi!