Thông tin cơ bản thân bồn cầu treo tường TOTO CW542HME5UNW1:
- ✅Tên sản phẩm: Bàn cầu treo tường TOTO
- ✅Hệ thống xả: Tornado
- ✅Công nghệ CeFiONtect giúp lòng bàn cầu siêu nhẵn, hạn chế tối đa các vết bẩn, vi khuẩn
- ✅Thiết kế: Thân dài
- ✅Tâm xả: 220 mm
- ✅Chế độ xả 2 nút nhấn: 3L/4.5L
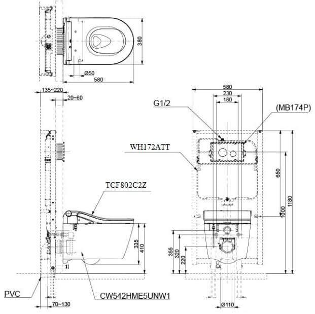
- ✅Kích thước: 580 x 380 x 335 mm (DxRxC)
- ✅Dáng vuông
- ✅Áp lực nước: 0.05Mpa~0.75Mpa
- ✅Màu sắc: Màu trắng
- ✅Chưa bao gồm nút nhấn xả
- ✅Phù hợp sử dụng với các loại nút nhấn: MB174P, MB170P, MB176G
- ✅Mã sản phẩm bồn cầu cũ: CW542HME3UNW1

Đặc điểm của bồn cầu TOTO CW542HME5UNW1:
- ✅Nắp đóng êm
- ✅Thiết kế thân kín giúp tiết kiệm thời gian, chi phí vệ sinh sản phẩm
- ✅Bàn cầu kiểu dáng treo tường giúp dễ dàng vệ sinh
- ✅Thiết kế két nước âm tường
Bản vẽ kỹ thuật bồn cầu treo tường TOTO CW542HME5UNW1:

Hình ảnh: bản vẽ kỹ thuật Bồn cầu TOTO CW542HME5UNW1
Thiết bị phòng tắm cao cấp LuxBath tự hào là nhà cung cấp bồn cầu treo tường TOTO CW542HME5UNW1 với giá bán thấp nhất, dịch vụ tốt nhất trên thị trường.
Hãy liên hệ với chúng tôi để đươc tư vấn và nhận được giá mua tốt nhất:
CÔNG TY CỔ PHẦN QUỐC TẾ LUXBATH
Gọi ngay 0 9 8 9 1 2 3 7 8 8 để nhận thêm những ưu đãi!