Thông tin chậu rửa mặt đặt bàn Inax AL-293VFC:
- ✅Chậu rửa đặt bàn Inax 1 lỗ
- ✅Kích thước lỗ: phi 36mm
- ✅Kích thước chậu: 450x500mm
- ✅Vòi lắp trên chậu
- ✅Màu sắc: Trắng
- ✅Chất liệu sứ cao cấp, Có men chống bám bẩn Aquaceramic trong lòng lavabo
- ✅Công nghệ: Nhật Bản
- ✅Sản xuất tại: Việt Nam

Đặc điểm nổi bật chậu bàn đá Inax AL-293VFC:
- ✅Thiết kế hiện đại, sang trọng
- ✅Chất liệu sứ cao cấp, mang lại vẻ sang trọng cho không gian phòng tắm nhà bạn.
- ✅Công nghệ chống bám bấn Proguard đem đến hiệu quả cao nhất trong việc ngăn ngừa các vết bẩn bám lại trên bề mặt sản phẩm
- ✅Công ngệ AQUACERAMIC khiến cho nước không dính vào bề mặt, ngăn chặn việc hình thành các vết ố do cặn khoáng. AQUACERAMIC hoạt động kết hợp các hạt phân tử Silic để bảo vệ bề mặt sản phẩm sứ liên tục, trong khi sản phẩm sứ thông thường hay gặp phải những vết ố tích tụ theo thời gian sử dụng.
- ✅Kiểu dáng đẹp phù hợp với mọi không gian phòng tắm.
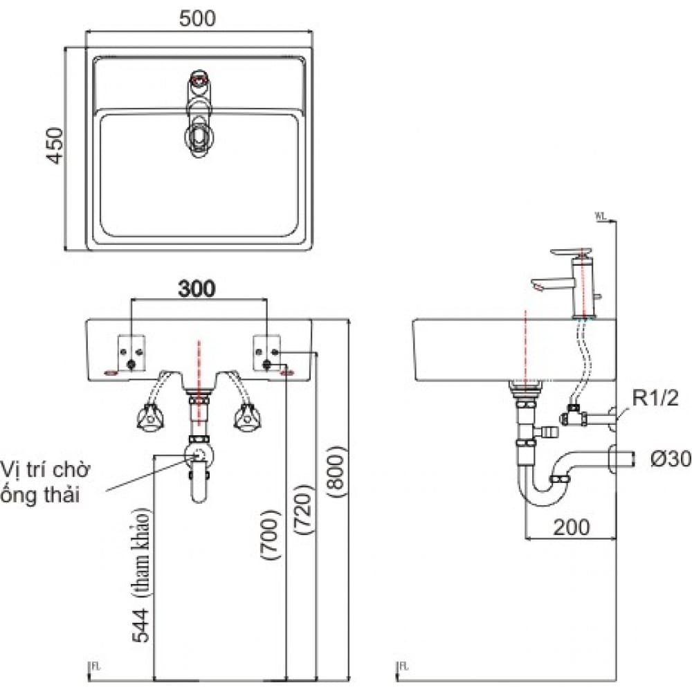
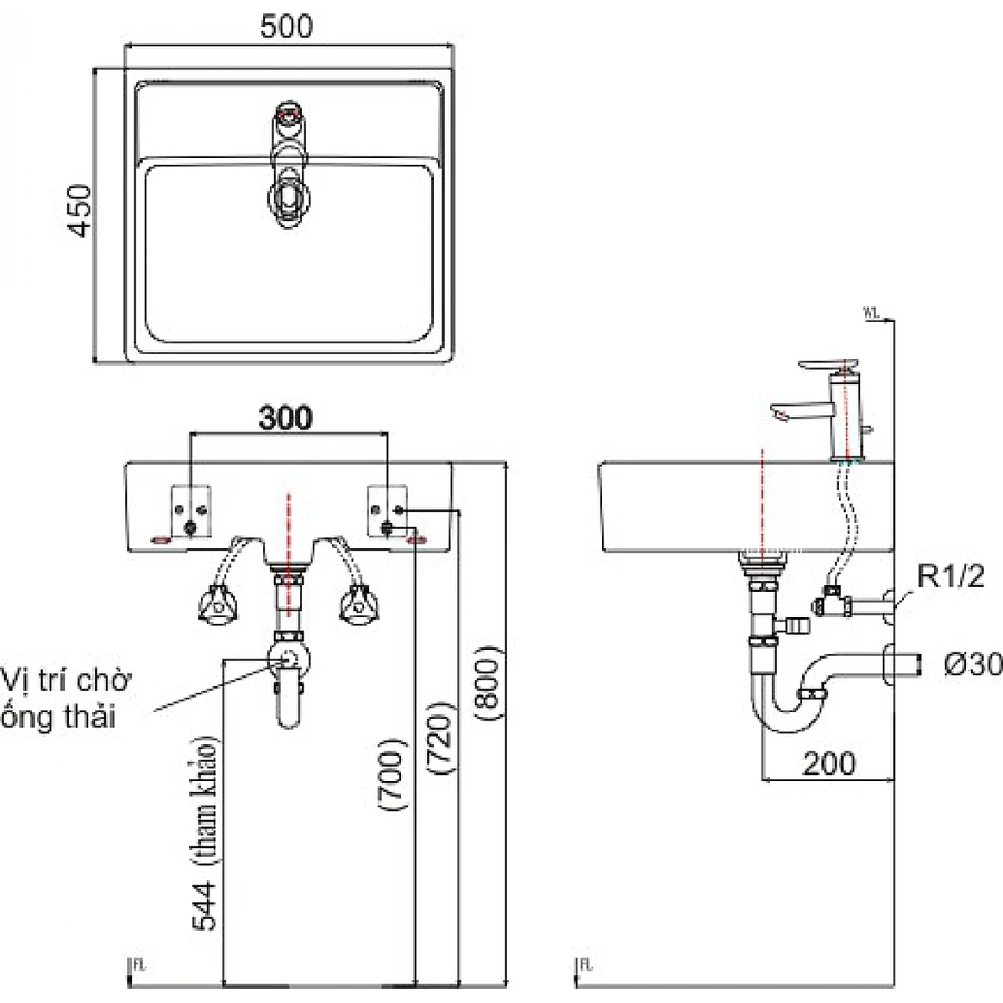
Bản vẽ kỹ thuật lavabo rửa mặt đặt bàn vuông Inax AL-293VFC:

Hình ảnh: Bản vẽ kỹ thuật Chậu rửa mặt đặt bàn vuông Inax AL-293VFC
Thiết bị phòng tắm cao cấp LuxBath tự hào là nhà cung cấp Chậu rửa mặt bàn đá vuông Inax AL-293VFC chính hãng với giá thấp nhất và dịch vụ sau bán hàng tốt nhất trên thị trường.
Hãy liên hệ với chúng tôi để đươc tư vấn và nhận được giá mua tốt nhất:
CÔNG TY CỔ PHẦN QUỐC TẾ LUXBATH
Hãy liên hệ 0 9 8 9 1 2 3 7 8 8 để nhận được ưa đãi!