Chậu rửa Inax đặt bàn L-300V với kiểu dáng thiết kế sang trọng hiện đại lại gọn nhẹ dòng sản phẩm Chậu rửa Inax đặt bàn L-300V đã nhanh chóng nhận được ưu ái của khách hàng khi lựa chọn và sử dụng ở không gian phòng tắm nhà mình
Thông tin Chậu rửa mặt bàn đá Inax L-300V:
- Chậu rửa mặt bàn đá Inax
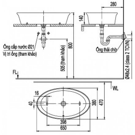
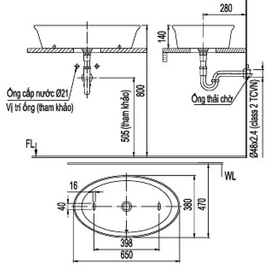
- Kích thước : 380x650x140mm
- Vòi cắm bàn đá
- Màu sắc : Trắng
- Kiểu dáng sang trọng, tinh tế
- Thiết kế dành cho đặt bàn
- Có 2 sự lựa chọn: chậu 1 lỗ (VFC), chậu 3 lỗ (VEC).
- Hãng sản xuất: Thiết bị vệ sinh Inax
- Công nghệ sản xuất: Nhật Bản
- Sản xuất tại: Inax Việt Nam

Đặc điểm Chậu rửa mặt bàn đá Inax L-300V:
- Chậu rửa mặt phù hợp với không gian phòng tắm và tối ưu hơn về độ bền.
- Chậu rửa Lavabo thường được dùng trong trang trí nội thất nhà tắm, spa, nhà hàng, khách sạn,
- Kiểu dáng đơn giản, hiện đại và sang trọng.
- Thiết kệ độc đáo, đa dạng mang đậm phong cách châu âu, đường nét tinh tế một cách tối giản.
- Tạo thêm điểm nhấn trong không gian phòng tắm của bạn.
- Sản xuất theo tiêu chuẩn chất lượng Châu Âu. Giá cả rẻ nhất so với sản phẩm cùng loại
Vòi chậu khuyến nghị nên kết hợp cùng Chậu rửa mặt bàn đá Inax L-300V:
Hãng Inax khuyên dùng người sử dụng kết hợp chậu với vòi 1 lỗ nóng lạnh cao Inax LFV-7100SH

Bản vẽ kỹ thuật Chậu rửa mặt bàn đá Inax L-300V:

Hình ảnh: Bản vẽ kỹ thuật Chậu rửa mặt bàn đá Inax L-300V
15 lợi ích khi mua chậu Inax tại Luxbath:
- ✅Giá luôn rẻ nhất cho mọi công trình
- ✅Đảm bảo 100% hàng chính hãng inax
- ✅Bảo hành nhanh chóng bởi người chính hãng Inax
- ✅Bảo hành bổ sung 2 năm bởi Luxbath ngoài thời hạn bảo hành chính hãng
- ✅Hàng luôn có sẵn trong kho sẵn sàng đáp ứng cho mọi công trình
- ✅Luôn là những mẫu mới sản xuất từ nhà máy
- ✅Hóa đơn, chứng chỉ đầy đủ
- ✅Giao hàng siêu tốc trên toàn quốc trong thời gian 3 ngày
- ✅Hỗ trợ 50% cước vận chuyển đi các tỉnh trên cả nước
- ✅Đảm bảo hàng không bể vỡ trong quá trình vận chuyển
- ✅Đảm bảo thanh toán an toàn dù với số tiền nhỏ nhất
- ✅Chỉ phải thanh toán đầy đủ khi nhận và kiểm tra xong hàng
- ✅Được tư vấn tối ưu chi phí khi mua sắm cùng những sản phẩm khác
- ✅Được tư vấn phù hợp với thiết kế và khả năng mua sắm của từng người
- ✅Được đồng hành trọn đời cùng Luxbath, kể cả trong cuộc sống và kinh doanh
Thiết bị phòng tắm cao cấp LuxBath tự hào là nhà cung cấp Chậu rửa mặt âm bàn đá Inax L-300V chính hãng với giá thấp nhất và dịch vụ sau bán hàng tốt nhất trên thị trường.
Hãy liên hệ với chúng tôi để đươc tư vấn và nhận được giá mua tốt nhất:
CÔNG TY CỔ PHẦN QUỐC TẾ LUXBATH
Liên hệ ngay 0989123788 để nhận được nhiều ưu đãi!
Được chỉnh sửa bởi Luxbath ngày 01 tháng 02 năm 2021