Thông tin chậu rửa mặt bán âm tròn Inax AL-333V:
- Chậu rửa bán âm inax
- Kích thước: 440x440x185mm
- Vòi cắm bàn đá
- Màu sắc: Trắng
- Công nghệ men chống bám bẩn Aqua Ceramic
- Hãng sản xuất: Thiết bị vệ sinh Inax
- Công nghệ sản xuất: Nhật Bản
- Sản xuất tại: Inax Việt Nam

Đặc điểm Chậu rửa mặt bán âm Inax AL-333V:
- Với thiết kế nhỏ gọn phù hợp cho hộ gia đình hoặc những nơi công cộng với mọi không gian lớn nhỏ.Độ bền cao với lớp men cao cấp chống bám bẩn, phủ lớp men bóng hạn chế được vi khuẩn.
- Thiết kế đơn giản, dễ dàng lắp đặt, độ bền cao và giá thành hợp lý.Kiểu dáng đơn giản mà sang trọng.
Vòi chậu khuyến nghị nên kết hợp cùng chậu rửa mặt đặt bàn tròn Inax AL-333V:
Hãng Inax khuyên dùng người sử dụng kết hợp chậu với vòi 1 lỗ nóng lạnh trung Inax LFV-7102S

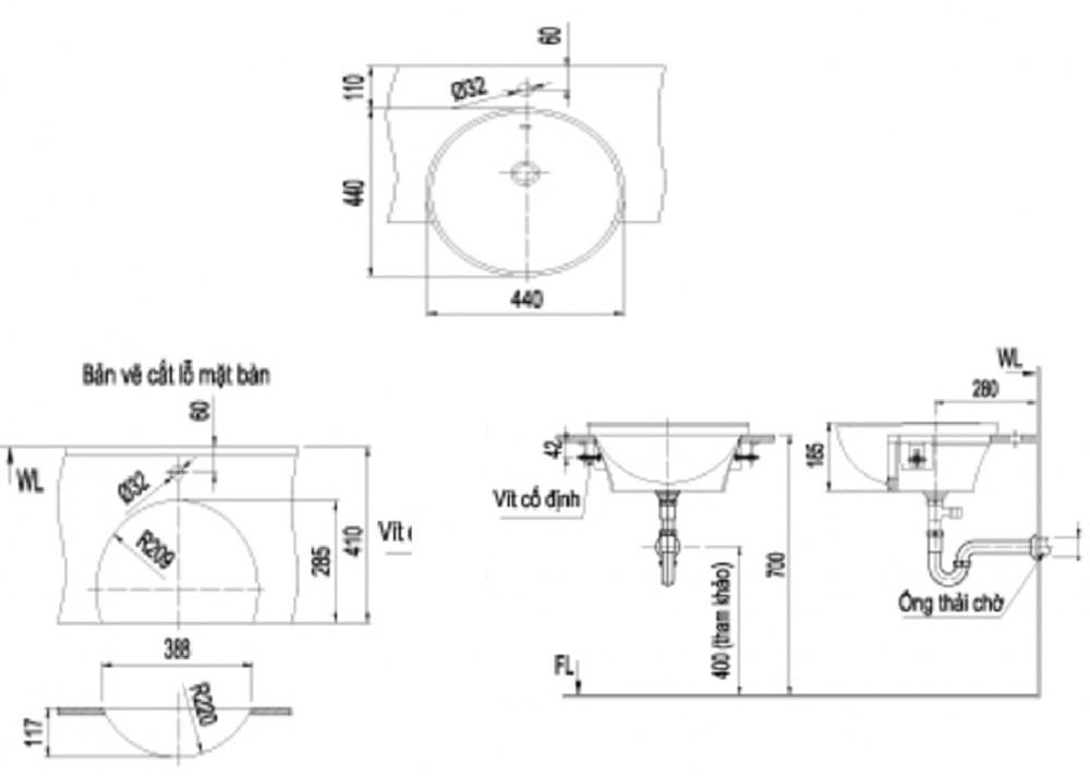
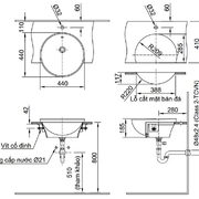
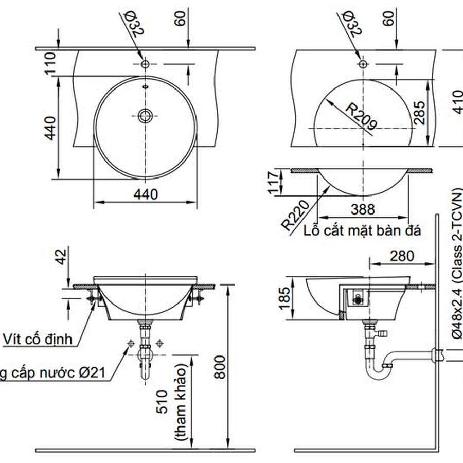
Bản vẽ kỹ thuật Chậu rửa mặt bán âm tròn Inax AL-333V:
.jpg)
Hình ảnh: bản vẽ kỹ thuật Chậu rửa mặt bán âm tròn Inax AL-333V
Thiết bị phòng tắm cao cấp LuxBath tự hào là nhà cung cấp Chậu rửa mặt bàn đá Inax AL-333V chính hãng với giá thấp nhất và dịch vụ sau bán hàng tốt nhất trên thị trường.
Hãy liên hệ với chúng tôi để đươc tư vấn và nhận được giá mua tốt nhất:
CÔNG TY CỔ PHẦN QUỐC TẾ LUXBATH
Liên hệ ngay 0 9 8 9 1 2 3 7 8 8 để nhận nhiều ưu đãi!
Viết ngày 01 tháng 02 năm 2021 bởi Luxbath