Bồn Cầu TOTO CW550#XW/TC393VS#W/HTS153S/TV150NSV6J thuộc dòng sản phẩm cao cấp của hãng TOTO và là sản phẩm cao cấp trên thị trường Thiết Bị Vệ Sinh.
Thông tin cơ bản Bồn Cầu treo tường nắp rơi êm TOTO CW550#XW/TC393VS#W/HTS153S/TV150NSV6J:
- ✅Tên sản phẩm: Bàn cầu treo tường nắp rơi êm
- ✅Hệ thống xả: Tornado
- ✅Công nghệ CeFiONtect giúp lòng bàn cầu siêu nhẵn, hạn chế tối đa các vết bẩn, vi khuẩn
- ✅Thiết kế: Thân dài
- ✅Tâm xả: 180mm ( Thoát ngang )
- ✅Lượng nước xả: 6L
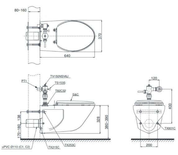
- ✅Kích thước: 640D x 370W x 339H mm
- ✅Hệ thống xả: Siphon
- ✅Thiết kế: Treo tường, mũi dài
- ✅Áp lực nước: 0.05Mpa~0.75Mpa
- ✅Màu sắc: Màu trắng

Hình ảnh: Bồn cầu két âm tường TOTO CW550#XW/TC393VS#W/HTS153S/TV150NSV6J
Đặc điểm của bồn cầu TOTO CW550#XW/TC393VS#W/HTS153S/TV150NSV6J:
- ✅Thiết kế treo tường sang trọng và hiện đại với nắp đóng êm khít và không ngả màu, thiết kế thân kín giúp tiết kiệm được thời gian và công sức lau chùi, sử dụng thoải mái hơn.
- ✅Két nước âm tường đem lại sự mới lạ cho phòng tắm và thể hiện sự đẳng cấp khác biệt với các dòng bồn cầu thông thường.
- ✅Thuộc dòng sản phẩm bồn cầu thoát ngang, với nắp đóng êm tạo cảm giác thoải mái khi sử dụng.
- ✅Công nghệ CeFiONtect giúp cho bề mặt sứ được phủ lớp men siêu nhẵn, lớp men này ngăn không cho chất bẩn, vi khuẩn hay nấm mốc bám vào bề mặt. giúp lòng bồn cầu siêu nhẵn hạn chế tối đa các vi khuẩn.
Bồn cầu TOTO CW550#XW/TC393VS#W/HTS153S/TV150NSV6J bao gồm:
- ✅Thân cầu giấu dây: CW550#XW - Xuất xứ: Việt Nam
- ✅Nắp rơi êm: TC393VS - Xuất xứ: Việt Nam
- ✅Hệ thống van xả : TV150NSV6J- xuất xứ: inđonexia
- ✅Chốt dừng: HTS153S - xuất xứ: Nhật Bản
Bản vẽ kỹ thuật Bồn cầu treo tường TOTO CW550#XW/TC393VS#W/HTS153S/TV150NSV6J:
.jpg)
Hình ảnh: bản vẽ kỹ thuật Bồn cầu TOTO CW550#XW/TC393VS#W/HTS153S/TV150NSV6J
Thiết bị phòng tắm cao cấp LuxBath tự hào là nhà cung cấp bồn cầu treo tường TOTO CW550#XW/TC393VS#W/HTS153S/TV150NSV6J với giá bán thấp nhất, dịch vụ tốt nhất trên thị trường.
Hãy liên hệ với chúng tôi để đươc tư vấn và nhận được giá mua tốt nhất:
CÔNG TY CỔ PHẦN QUỐC TẾ LUXBATH
Gọi ngay 0989123788 để nhận thêm những ưu đãi!