Thông tin chi tiết về Sen Tắm Lạnh Caesar S203C:
- Tên sản phẩm : Vòi Sen Tắm Lạnh Caesar
- Mã sản phẩm: S203C
- Áp lực nước : 0.05 MPa ~ 0.75 MPa
- Kết cấu bên trong vững vàng, lớp mạ chất lượng cao, tay sen 1 chế độ
- Dây sen và tay sen SH211 bằng nhựa mạ Crom – Niken
- Chất liệu chủ yếu: Đồng nguyên chất
- Chất liệu mạ: Crom, Niken
- Một chế độ xả lạnh

Hình ảnh: Vòi Sen Tắm Lạnh Caesar S203C
- Kết cấu bên trong vững vàng, lớp mạ chất lượng cao, tay sen 1 chế độ
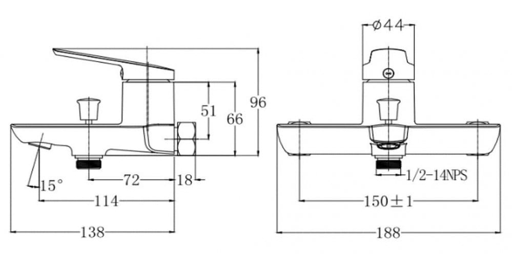
Bản vẽ kỹ thuật Vòi Sen Tắm Lạnh Caesar S203C:

Hình ảnh: bản vẽ kỹ thuật Vòi Sen Tắm Lạnh Caesar S203C