Thông tin cơ bản về vòi chậu rửa lavabo cao Kohler K-74026T-4E2-CP:
- ✅Tên sản phẩm: Vòi chậu rửa mặt
- ✅Mã sản phẩm: K-74026T-4E2-CP
- ✅Nhãn hiệu sản phẩm: Kohler
- ✅Thuộc bộ sưu tập: Taut
- ✅Chất liệu: Đồng nguyên chất
- ✅Màu sắc: Mạ chrome bóng
- ✅Lắp đặt cho chậu: 1 lỗ gắn vòi
.jpg)
Đặc điểm nổi bật vòi rửa lavabo Kohler K-74026T-4E2-CP:
- ✅Thương hiệu toàn cầu đẳng cấp cao chất lượng tốt, thiết kế tinh tế lựa trọn của các kiến trúc sư vào các công trình cao cấp.
- ✅Nhiều mẫu mã kiểu dáng sang trọng độc lạ, lớp mạ crom sáng bóng bền lâu dễ vệ sinh giá cả đi đôi với chất lượng, bảo hành toàn quốc chính hãng.
Lợi ích sử dụng vòi chậu rửa mặt Kohler K-74026T-4E2-CP:
-
✅Thiết kế hiện đại đa năng với hình dạng độc đáo bổ sung cho nhiều kiểu trang trí
- ✅Có thể thay đổi thiết bị sục khí có ren dễ thay đổi bằng đồng xu
- ✅Thiết kế hoàn chỉnh trên vòi và vòi tắm kết hợp độc đáo với thành phần vòi hoa sen, cho phép bạn tạo ra một cái nhìn gắn kết
- ✅Van đĩa gốm KOHLER vượt quá tiêu chuẩn tuổi thọ công nghiệp gấp hai lần cho tuổi thọ hiệu suất cao
- ✅KOHLER hoàn thiện chống ăn mòn và xỉn màu, vượt quá tiêu chuẩn độ bền của ngành hơn hai lần.
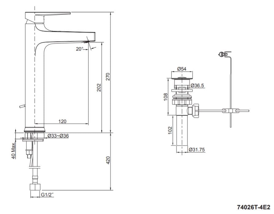
Thông số kỹ thuật vòi chậu rửa mạ chrome bóng Kohler K-74026T-4E2-CP:
- ✅Chiều dài thân vòi: 120mm
- ✅Chiều cao thân vòi: 270mm
- ✅Góc xả nước: 20 độ
Bản vẽ kỹ thuật vòi chậu rửa cao Kohler K-74026T-4E2-CP:

Hình ảnh: Bản vẽ kỹ thuật vòi chậu rửa cao Kohler K-74026T-4E2-CP
Thiết bị phòng tắm cao cấp LuxBath tự hào là nhà cung cấp Vòi rửa lavabo Kohler K-74026T-4E2-CPvới giá tốt nhất, dịch vụ sau bán hàng tốt nhất trên thị trường.
Hãy liên hệ với chúng tôi để đươc tư vấn và mua được sản phẩm với giá tốt nhất:
CÔNG TY CỔ PHẦN QUỐC TẾ LUXBATH
Hãy liên hệ 0 9 8 9 1 2 3 7 8 8 để được tư vấn miễn phí và nhận được nhiều ưu đãi!
Viết ngày 21 tháng 12 năm 2020 bởi Luxbath