Thông tin Vòi chậu lavabo nóng lạnh Grohe 32612002:
- ✅Tên sản phẩm: Vòi chậu lavabo nóng lạnh Grohe
- ✅Mã sản phẩm: 32612002
- ✅Sản xuất: Đức
- ✅Kích thước: 201 x 360mm
- ✅Thương hiệu: Thiết bị vệ sinh Grohe
- ✅Chất liệu/màu sắc: Đồng mạ Crom
- ✅Công nghệ sản xuất: Tiêu chuẩn Châu Âu
- ✅Bảo hành: 5 năm
- ✅Chế độ rửa: Nóng lạnh
- ✅Áp lực nước: 0.05MPa ~ 0.75MPa

Hình ảnh: Vòi chậu lavabo nóng lạnh Grohe 32612002
Chức năng Vòi chậu lavabo nóng lạnh Grohe 32612002:
- ✅GROHE SilkMove: tay chỉnh mượt mà nhất lên đến 20 năm
- ✅Starlight : Bề mặt sáng bóng theo thời gian từ lớp phủ mờ sang trọng
- ✅SpeedClean: Chống vôi hóa
- ✅QuickFix: Giảm thời gian lắp đặt lên đến 40%.
Tính năng Vòi chậu lavabo nóng lạnh Grohe 32612002:
- ✅Lớp mạ crom không bám bẩn hay xỉn màu, đẹp như mới trong suốt thời gian sử dụng.
- ✅Bộ phận cách nhiệt đảm bảo an toàn và tiện lợi, không lo bị bỏng
- ✅Công nghệ tiên tiến nhất giúp giảm thiểu tối đa tiếng ồn.
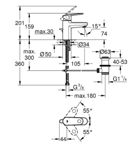
Bản vẽ kỹ thuật vòi chậu Grohe 32612002:
.jpg)
Hình ảnh: Bản vẽ kỹ thuật vòi chậu Grohe 32612002
Thiết bị phòng tắm cao cấp LuxBath tự hào là nhà cung cấp Vòi chậu lavabo nóng lạnh Grohe 32612002 với giá tốt nhất, dịch vụ sau bán hàng tốt nhất trên thị trường.
Hãy liên hệ với chúng tôi để đươc tư vấn và mua được sản phẩm với giá tốt nhất:
CÔNG TY CỔ PHẦN QUỐC TẾ LUXBATH
Hãy gọi 0989123788 để được tư vấn và hỗ trợ.