Thông tin vòi chậu 3 lỗ nóng lạnh Grohe 20344000
- Tên sản phẩm: Vòi chậu rửa mặt
- Mã sản phẩm: 20344000
- Thương hiệu: Grohe
- Kích thước: 221x 419 x 300mm
- Kiểu dáng: hiện đại
- Màu sắc: chrome
- Chất liệu: Đồng mạ crome
- Áp lực nước: 0.05MPa ~ 0.75MPa
- Công nghệ sản xuất: CHLB Đức
- Sản xuất tại: Thái Lan

Hình ảnh: Vòi chậu 3 lỗ nóng lạnh Grohe Đức 20344000
Công nghệ vòi chậu rửa mặt 3 chân Grohe Đức 20344000:
- GROHE StarLight: Bề mặt sáng bóng như bề mặt kim cương
- GROHE EcoJoy: tiết kiệm nước
- GROHE QuickFix: Giảm thời gian lắp đặt lên đến 40%
Ưu điểm vòi lavabo 3 chân gắn chậu Đức Grohe 20344000:
- Kết hợp công nghệ tiết kiệm nước để giảm nước và năng lượng
- Sản phẩm thân thiện với môi trường
- Công nghệ tiên tiến nhất giúp giảm thiểu tối đa tiếng ồn, mang đến sự yên bình và thoải mái.
- Dễ dàng lắp đặt và sử dụng
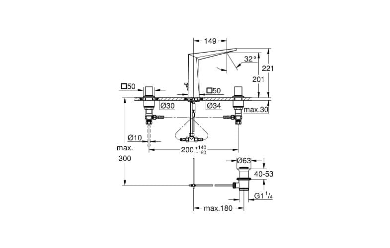
Bản vẽ kỹ thuật vòi 3 chân Grohe Đức 20344000:
%20(1).jpg)
Hình ảnh: Bản vẽ kỹ thuật Vòi chậu 3 lỗ nóng lạnh Grohe 20344000
Thiết bị phòng tắm cao cấp LuxBath tự hào là nhà cung cấp vòi chậu 3 chân nóng lạnh Grohe 20344000 với giá tốt nhất, dịch vụ sau bán hàng tốt nhất trên thị trường.
Hãy liên hệ với chúng tôi để đươc tư vấn và mua được sản phẩm với giá tốt nhất:
CÔNG TY CỔ PHẦN QUỐC TẾ LUXBATH
Hãy gọi 0 9 8 9 1 2 3 7 8 8 để được tư vấn và hỗ trợ!