Thông tin chi tiết về vòi chậu rửa mặt nóng lạnh Kohler Beitou K-99876T-4-CP Chrome bóng:
- ✅Tên sản phẩm: Vòi chậu rửa mặt nóng lạnh
- ✅Nhãn hiệu sản phẩm: Kohler
- ✅Bộ sưu tập sản phẩm: Beitou
- ✅Mã sản phẩm: K-99876T-4-CP
- ✅Chất liệu sản phẩm: Đồng nguyên chất
- ✅Chất liệu mạ: Mạ chrome bóng
- ✅Kiểu vòi: Dùng cho các loại chậu bàn đá: chậu âm, chậu dương, chậu bán dương
- ✅Loại vòi: treo tường

Đặc điểm nổi bật của vòi chậu rửa mặt treo tường Kohler Beitou K-99876T-4-CP Chrome bóng:
- ✅Kết cấu kim loại nguyên khối mang lại độ bền chắc chắn cho sản phẩm
- ✅Đĩa van sứ KOHLER có độ bền cao hơn tiêu chuẩn công nghiệp đến hai lần, bảo đảm hoạt động bền bỉ trọn đời
- ✅Bề mặt mạ KOHLER chống ăn mòn và xỉn màu, có độ bền vượt trội so với tiêu chuẩn công nghiệp
- ✅Chế độ giới hạn nhiệt độ cho phép bạn cài đặt trước nhiệt độ tối đa tạo cảm giác thoải mái, yên tâm, loại bỏ nguy cơ bị bỏng
- ✅Cần vòi dài giúp rửa tay thuận tiện, dễ dàng
Lợi ích khi sử dụng vòi chậu âm tường Kohler Beitou K-99876T-4-CP Chrome bóng:
- ✅Yên tâm sử dụng trọn đời sản phẩm
- ✅Không lo trẻ em, người già bị bỏng trong quá trình sử dụng
- ✅Không phải cọ rửa vệ sinh nhiều như những sản phẩm thương hiệu khác
- ✅Sản phẩm có lớp mạ đẹp, luôn luông sáng bóng như lúc mới mua
- ✅Thao tác rửa tay thoải mái nhờ cần vòi dài
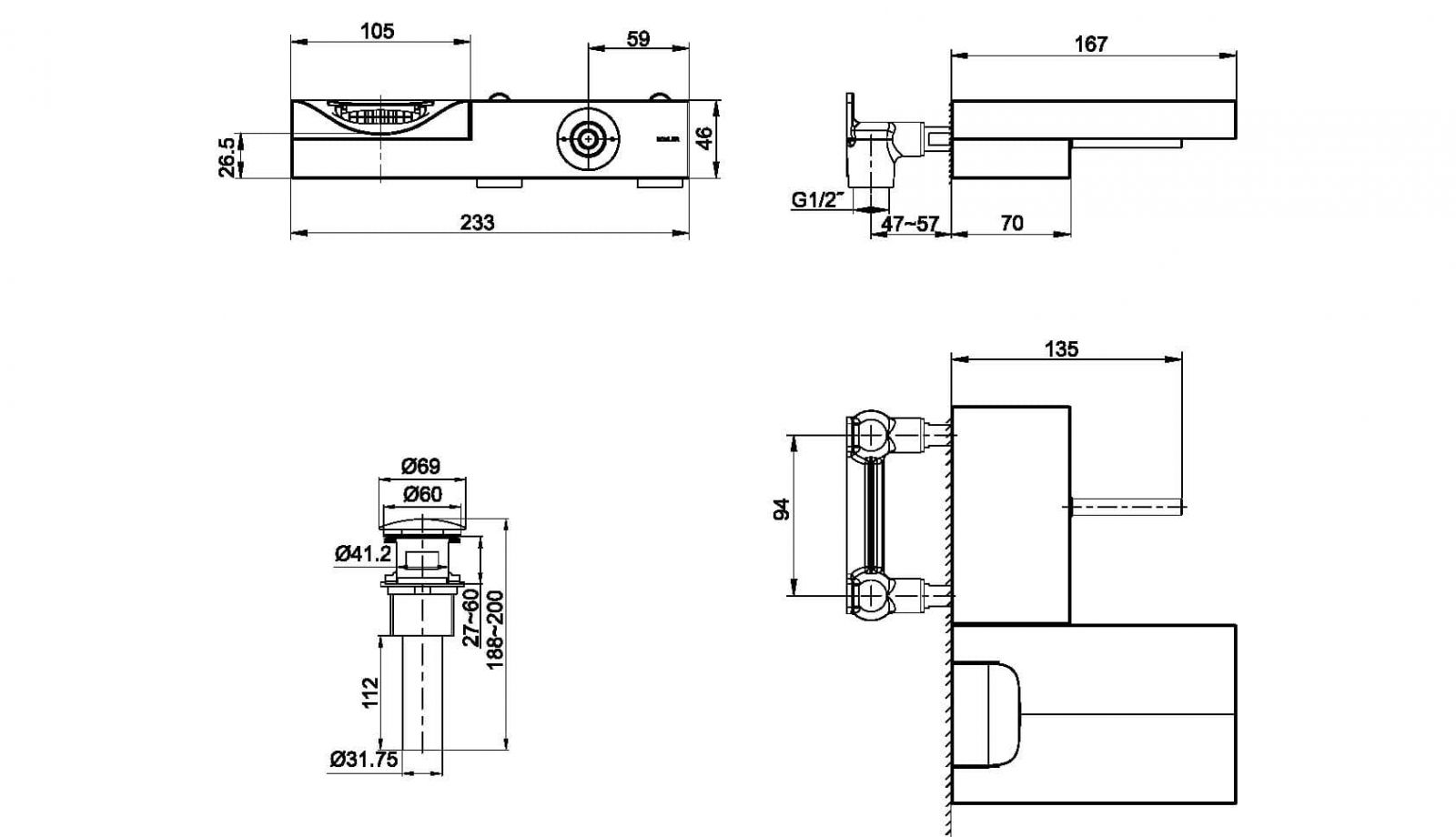
Thông số kỹ thuật vòi rửa Kohler Beitou K-99876T-4-CP Chrome bóng:
- ✅Chiều dài thân vòi: 237mm
- ✅Phần chân âm tường: 61mm
- ✅Góc xả nước: 4 độ
Bản vẽ kỹ thuật vòi lavabo Kohler Beitou K-99876T-4-CP Chrome bóng:

Hình ảnh: Bản vẽ kỹ thuật vòi lavabo Kohler Beitou K-99876T-4-CP Chrome bóng
Thiết bị vệ sinh cao cấp LuxBath tự hào là nhà cung cấp vòi chậu rửa mặt nóng lạnh Kohler Beitou K-99876T-4-CP Chrome bóng đảm bảo 100% Chính Hãng, bảo hành Chính Hãng với giá rẻ nhất, dịch vụ tốt nhất, giao hàng nhanh nhất và giao hàng nhanh nhất trên thị trường.
Hãy liên hệ với chúng tôi để đươc tư vấn tối ưu chi phí:
CÔNG TY CỔ PHẦN QUỐC TẾ LUXBATH
Hãy liên hệ 0 9 8 9 1 2 3 7 8 8 để được ưu đãi và đồng hành cùng Luxbath!
Viết ngày 29 tháng 11 năm 2020 bởi Luxbath