Chậu rửa Inax treo tường Inax L-282VEC được sản xuất dựa trên công nghệ hiện đại và tiên tiến của Nhật tạo ra một sản phẩm với chất lượng hàng đầu nhờ tạo thành từ sứ cao cấp và lớp men kháng khuẩn hiệu quả, đảm bảo cho sản phẩm luôn bền đẹp theo thời gian.
Thông tin chậu treo tường 3 lỗ Inax L-282VEC:
- ✅Tên sản phẩm: chậu rửa mặt treo tường
- ✅Mã sản phẩm: L-282VEC
- ✅Màu sắc: Trắng
- ✅Chất liệu sứ cao cấp, chống bám bẩn, kháng khẩn, dễ lau chùi
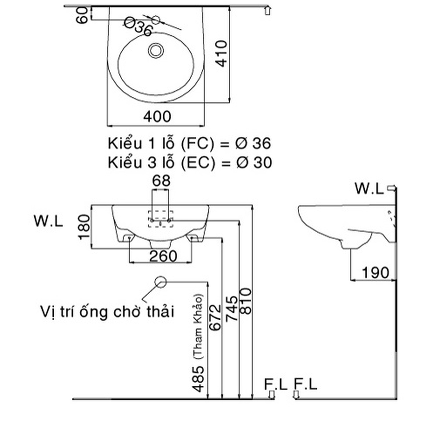
- ✅Kích thước (DxRxC): 400 x 410 x 184 mm
- ✅Có thể dùng với vòi: LFV-11A , LFV-17, LFV-1112S, ...
- ✅Không bao gồm phụ kiện ( vòi, bộ xả...)

Đặc điểm nổi bật lavabo rửa mặt treo tường Inax L-282VEC:
- ✅Chất liệu men sứ cao cấp cùng công nghệ chống bám bẩn giúp lavobo luôn trắng sạch, đánh bay mọi vết bẩn một cách dễ dàng
- ✅Chậu rửa inax là dòng sản phẩm có giá rẻ ở mức tầm trung so với các sản phẩm khác cùng loại có mặt trên thị trường nên dòng chậu rửa treo tường Inax được nhiều khách hàng đánh giá cao và được sử dụng tại nhiều công trình lớn.
Bản vẽ kỹ thuật chậu 3 lỗ Inax L-282VEC:
.jpg)
Hình ảnh: bản vẽ kỹ thuật lavabo chậu rửa mặt treo tường Inax L-282VEC
Thiết bị phòng tắm cao cấp LuxBath tự hào là nhà cung cấp lavabo rửa mặt treo tường Inax L-282VEC chính hãng với giá thấp nhất và dịch vụ sau bán hàng tốt nhất trên thị trường.
Hãy liên hệ với chúng tôi để đươc tư vấn và nhận được giá mua tốt nhất:
CÔNG TY CỔ PHẦN QUỐC TẾ LUXBATH
Hãy liên hệ 0 9 8 9 1 2 3 7 8 8 để tư vấn và phục vụ!