Grohe là nhãn hiệu thiết bị vệ sinh cao cấp nhất thế giới về sen vòi bởi chất lượng, tính thẩm mỹ, tính chính xác và sự độc đáo.
Thông tin cơ bản về khung két nước âm Grohe 38541000:
- ✅Tên sản phẩm: Khung két nước âm
- ✅Mã sản phẩm: 38541000
- ✅Nhãn hiệu: Grohe
- ✅Chất liệu: Kim loại
- ✅Màu sắc: trắng
- ✅Kiểu dáng: lắp đặt âm tường
- ✅Xuất xứ: Đức
- ✅Bảo hành:

Hình ảnh: Khung két nước âm tườngGrohe 38541000
- ✅Khung két nước làm bằng hợp kim cao cấp để chịu lực và sự sự oxi hoá theo thời gian.
Thông số kỹ thuật khung két nước âm tường Grohe 38541000:
- ✅Trọng lượng sản phẩm:
- ✅Chiều cao: 1130mm
- ✅Chiều từ tường ra: mm
- ✅Chiều rộng: 500mm
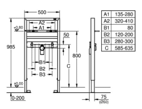
Bản vẽ kỹ thuật khung két nước bồn cầu âm tường Grohe 38541000:
.webp)
Hình ảnh: Bản vẽ kỹ thuật khung két nước âm tường Grohe 38541000
Bạn nên xem thêm:
Thiết bị vệ sinh cao cấp LuxBath tự hào là nhà cung cấp linh phụ kiện Grohe 38541000 với giá thấp nhất, dịch vụ sau bán hàng tốt nhất trên thị trường.
Thông tin chi tiết liên hệ:
CÔNG TY CỔ PHẦN QUỐC TẾ LUXBATH
Liên hệ hotline 0 9 8 9 1 2 3 7 8 8 để nhận nhiều ưu đãi!