Grohe là nhãn hiệu thiết bị vệ sinh cao cấp nhất thế giới về sen vòi bởi chất lượng, tính thẩm mỹ, tính chính xác và sự độc đáo.
Thông tin cơ bản về củ sen tắm Đức Grohe 36319000:
- ✅Tên sản phẩm: Củ sen tắm nóng lạnh
- ✅Mã sản phẩm: 36319000
- ✅Nhãn hiệu: Grohe
- ✅Chất liệu: Đồng mạ chrome
- ✅Màu sắc: Chrome
- ✅Kiểu dáng: Thiết kế treo tường
- ✅Chức năng: 2 đường nước nóng lạnh
- ✅Xuất xứ: Đức
- ✅Bảo hành:

Hình ảnh: Củ sen tắm cảm ứng Grohe 36319000
- ✅GROHE StarLight : Bề mặt sáng bóng như bề mặt kim cương.
- ✅Lưu lượng tối thiểu điều chỉnh được, xấp xỉ 9lít/phút
- ✅Bộ giới hạn lưu lượng điều chỉnh được
- ✅Bộ chuyển đổi tự động: sen bồn/tay sen
- ✅Tích hợp van một chiều trong miệng vòi 1/2”
Thông số kỹ thuật bộ trộn nhiệt Đức Grohe 36319000:
- ✅Trọng lượng sản phẩm: Kg
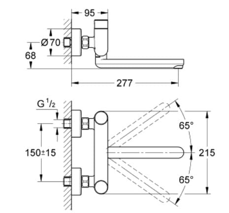
- ✅Chiều rộng: 215mm
- ✅Chiều từ tường ra: 277mm
Bản vẽ kỹ thuật sen tắm nóng lạnh treo tường Grohe 36319000:
.jpg)
Hình ảnh: Bản vẽ sen tắm Đức Grohe 36319000
Bạn nên xem thêm:
Thiết bị vệ sinh cao cấp LuxBath tự hào là nhà cung cấp bộ trộn Grohe 36319000 với giá thấp nhất, dịch vụ sau bán hàng tốt nhất trên thị trường.
Thông tin chi tiết liên hệ:
CÔNG TY CỔ PHẦN QUỐC TẾ LUXBATH
Liên hệ hotline 0 9 8 9 1 2 3 7 8 8 để nhận nhiều ưu đãi!