Grohe là nhãn hiệu thiết bị vệ sinh cao cấp nhất thế giới về sen vòi bởi chất lượng, tính thẩm mỹ, tính chính xác và sự độc đáo.
Thông tin cơ bản về sen tắm âm tường cao cấp Đức Grohe 34408000:
- ✅Tên sản phẩm: Sen tắm âm tường nóng lạnh
- ✅Mã sản phẩm: 34408000
- ✅Nhãn hiệu: Grohe
- ✅Chất liệu: Đồng mạ chrome
- ✅Màu sắc: Chrome
- ✅Kiểu dáng: Thiết kế âm tường
- ✅Chức năng: 2 đường nước nóng lạnh
- ✅Xuất xứ: Đức
- ✅Bảo hành:

Hình ảnh: Vòi sen tắm Grohe 34408000
Tính năng nổi bật sen tắm nhập khẩu Grohe 34408000:
- ✅Starlight : Bề mặt sáng bóng theo thời gian từ lớp phủ mờ sang trọng
- ✅SilkMove : tay chỉnh mượt mà nhất lên đến 20 năm
- ✅Inner WaterGuide: tuổi thọ bền lâu
- ✅Twistfree: ngăn ngừa bị xoắn dây
- ✅Lưu lượng nước tối thiểu là 7 lít/phút.
Thông số kỹ thuật sen tắm nóng lạnh Đức Grohe 34408000:
- ✅Trọng lượng sản phẩm: Kg
- ✅Chiều rộng: 464-472mm
- ✅Chiều cai: 1011mm
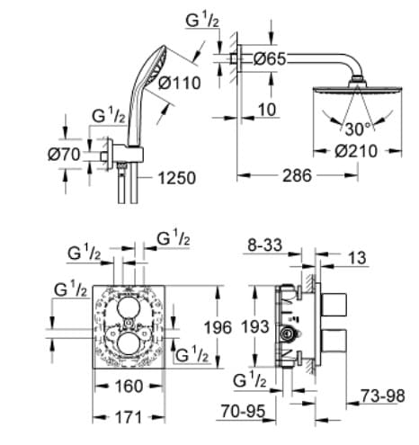
Bản vẽ kỹ thuật sen tắm nóng lạnh treo tường Grohe 34408000:
.jpg)
Hình ảnh: Bản vẽ sen tắm Đức Grohe 34408000
Bạn nên xem thêm:
Thiết bị vệ sinh cao cấp LuxBath tự hào là nhà cung cấp sen tắm Grohe 34408000 với giá thấp nhất, dịch vụ sau bán hàng tốt nhất trên thị trường.
Thông tin chi tiết liên hệ:
CÔNG TY CỔ PHẦN QUỐC TẾ LUXBATH
Liên hệ hotline 0 9 8 9 1 2 3 7 8 8 để nhận nhiều ưu đãi!