Grohe là nhãn hiệu thiết bị vệ sinh cao cấp nhất thế giới về sen vòi bởi chất lượng, tính thẩm mỹ, tính chính xác và sự độc đáo.
Thông tin cơ bản về củ sen tắm Đức Grohe 33624001:
- ✅Tên sản phẩm: Củ sen tắm nóng lạnh
- ✅Mã sản phẩm: 33624001
- ✅Nhãn hiệu: Grohe
- ✅Chất liệu: Đồng mạ chrome
- ✅Màu sắc: Chrome
- ✅Kiểu dáng: Thiết kế treo tường
- ✅Công xuất nước: 0.05MPa ~ 0.75MPa
- ✅Lượng nước sử dụng: 9.5L/min
- ✅Chức năng: 2 đường nước nóng lạnh
- ✅Xuất xứ: Đức
- ✅Bảo hành:

Hình ảnh: Củ sen tắm Grohe 33624001
Tính năng nổi bật sen tắm nhập khẩu Grohe 33624001:
- ✅Thiết kế treo tường
- ✅Cần kim loại
- ✅Lõi van ceramic GROHE SilkMove 46 mm
- ✅Bề mặt Chrome GROHE StarLight
- ✅Bộ giới hạn lưu lượng điều chỉnh được
- ✅Lưu lượng tối thiểu điều chỉnh được, xấp xỉ 2,5 lít/phút
Thông số kỹ thuật bộ trộn nổi Đức Grohe 33624001:
- ✅Trọng lượng sản phẩm: Kg
- ✅Chiều từ tường ra: mm
- ✅Chiều cao: mm
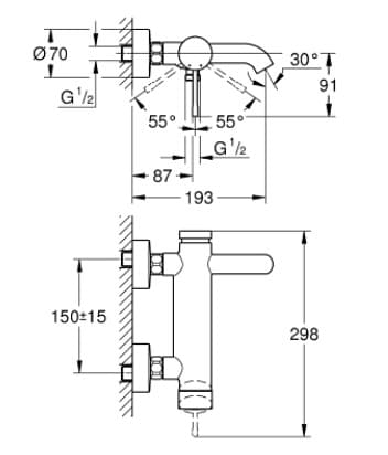
Bản vẽ kỹ thuật sen tắm nóng lạnh treo tường Grohe 33624001:
.jpg)
Hình ảnh: Bản vẽ sen tắm Đức Grohe 33624001
Bạn nên xem thêm:
Thiết bị vệ sinh cao cấp LuxBath tự hào là nhà cung cấp sen tắm Grohe 33624001 với giá thấp nhất, dịch vụ sau bán hàng tốt nhất trên thị trường.
Thông tin chi tiết liên hệ:
CÔNG TY CỔ PHẦN QUỐC TẾ LUXBATH
Liên hệ hotline 0 9 8 9 1 2 3 7 8 8 để nhận nhiều ưu đãi!