Grohe là nhãn hiệu thiết bị vệ sinh cao cấp nhất thế giới về sen vòi bởi chất lượng, tính thẩm mỹ, tính chính xác và sự độc đáo.
Thông tin cơ bản về bộ trộn sen âm Grohe 32963000:
- ✅Tên sản phẩm: Bộ trộn sen âm
- ✅Mã sản phẩm: 32963000
- ✅Nhãn hiệu: Grohe
- ✅Chất liệu: đồng,nhựa
- ✅Màu sắc: chrome
- ✅Kiểu dáng:
- ✅Xuất xứ: Đức
- ✅Bảo hành:

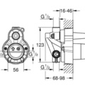
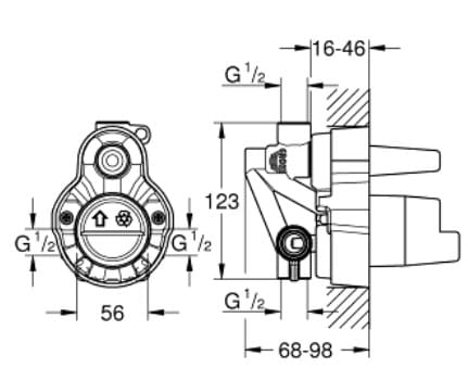
Hình ảnh: Bộ trộn sen âm Grohe 32963000
Tính năng nổi bật bộ trộn sen âm Đức Grohe 32963000:
- ✅Đĩa sứ giúp tay cầm trơn tru điều chỉnh chế độ và mức nước của sản phẩm.
- ✅Vỏ chống rò rỉ
Thông số kỹ thuật bộ trộn sen âm nhập khẩu Grohe 32963000:
- ✅Trọng lượng sản phẩm:
- ✅Chiều cao:
- ✅Chiều sâu:
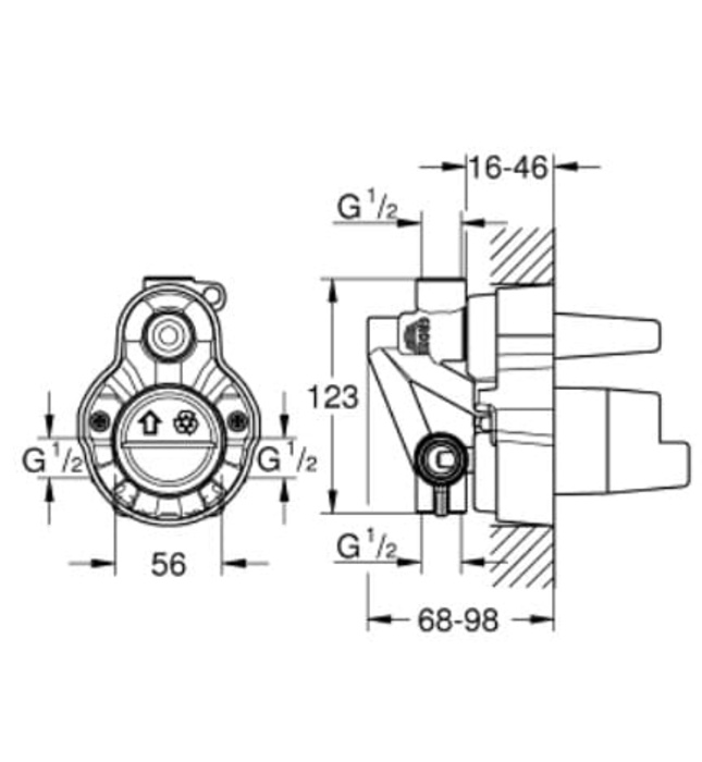
Bản vẽ kỹ thuật độ điều chỉnh chế độ và mức nước Grohe 32963000:
.webp)
Hình ảnh: Bản vẽ kỹ thuật bộ trộn sen âm Grohe 32963000
Bạn nên xem thêm:
Thiết bị vệ sinh cao cấp LuxBath tự hào là nhà cung cấp linh phụ kiện Grohe 32963000 với giá thấp nhất, dịch vụ sau bán hàng tốt nhất trên thị trường.
Thông tin chi tiết liên hệ:
CÔNG TY CỔ PHẦN QUỐC TẾ LUXBATH
Liên hệ hotline 0 9 8 9 1 2 3 7 8 8 để nhận nhiều ưu đãi!