Grohe là nhãn hiệu thiết bị vệ sinh cao cấp nhất thế giới về thiết bị nhà bếp bởi chất lượng, tính thẩm mỹ, tính chính xác và sự độc đáo.
Thông tin cơ bản về chậu bếp 2 hố nhập khẩu Đức Grohe 31649AP0:
- ✅Tên sản phẩm: chậu bếp
- ✅Mã sản phẩm: 31649AP0
- ✅Nhãn hiệu: Grohe
- ✅Chất liệu: Thạch anh, nhựa Acrylic
- ✅Màu sắc: đen
- ✅Kiểu dáng: gắn bàn
- ✅tính năng: Độ bền cao, không trầy xước và không phai màu theo thời gian
- ✅Xuất xứ: Đức
- ✅Bảo hành:

Hình ảnh: Chậu rửa bát 2 hố Đức Grohe 31649AP0
Công nghệ nổi bật chậu rửa chén Grohe 31649AP0:
- ✅Grohe quickfix plus: lắp đặt dễ dàng, tiết kiệm chi phí
- ✅GROHE Whisper: động cơ giảm tiếng ồn
- ✅Đã bao gồm giỏ lọc
Thông số kỹ thuật chậu bếp nhập khẩu Grohe 31649AP0:
- ✅Trọng lượng sản phẩm:
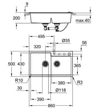
- ✅Chiều cao: 200mm
- ✅Chiều rộng: 500mm
- ✅Chiều dài: 860mm
Bản vẽ kỹ thuật chậu bếp Đức Grohe 31649AP0:
.jpg)
Hình ảnh: Bản vẽ kỹ thuật chậu rửa bát Đức Grohe 31649AP0
Bạn nên xem thêm:
Thiết bị vệ sinh cao cấp LuxBath tự hào là nhà cung cấp chậu bếp Đức Grohe 31649AP0 với giá thấp nhất, dịch vụ sau bán hàng tốt nhất trên thị trường.
Thông tin chi tiết liên hệ:
CÔNG TY CỔ PHẦN QUỐC TẾ LUXBATH
Liên hệ hotline 0 9 8 9 1 2 3 7 8 8 để nhận nhiều ưu đãi!