Grohe là nhãn hiệu thiết bị vệ sinh cao cấp nhất thế giới về sen vòi bởi chất lượng, tính thẩm mỹ, tính chính xác và sự độc đáo.
Thông tin cơ bản về cây sen tắm Đức Grohe 27615001:
- ✅Tên sản phẩm: Cây sen tắm nóng lạnh
- ✅Mã sản phẩm: 27615001
- ✅Nhãn hiệu: Grohe
- ✅Chất liệu: Đồng mạ chrome
- ✅Màu sắc: Chrome
- ✅Kiểu dáng: Thiết kế treo tường
- ✅Chức năng: 2 đường nước nóng lạnh
- ✅Xuất xứ: Đức
- ✅Bảo hành:

Hình ảnh: Cây sen tắm Grohe 27615001
Tính năng nổi bật cây sen tắm nhập khẩu Grohe 27615001:
- ✅EcoJoy:9,5l/phút,tiết kiệm nước
- ✅Starlight:Bề mặt sáng bóng theo thời gian
- ✅TurboStat:Luôn giử nhiệt độ chính xác,an toàn
- ✅DreamSpray:cung cấp độ chính xác tối đa cho các tia nước qua vòi phun
- ✅SafeStop:Ổn định nhiệt độ ở 38°C
- ✅SafeStop Plus:giới hạn nhiệt độ, tùy chỉnh ở 43°C
- ✅Inner WaterGuide:tuổi thọ bền lâu
- ✅Twistfree:ngăn ngừa bị xoắn dây
Thông số kỹ thuật sen tắm đứng nóng lạnh Đức Grohe 27615001:
- ✅Trọng lượng sản phẩm: Kg
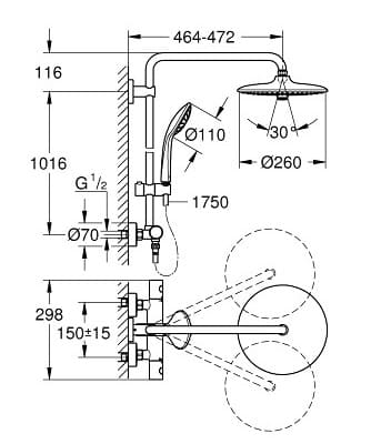
- ✅Chiều ngang: 298mm
- ✅Chiều từ tường ra: 464-472mm
- ✅Chiều cao: 1132mm
Bản vẽ kỹ thuật sen tắm nóng lạnh cây đứng Grohe 27615001:
.jpg)
Hình ảnh: Bản vẽ sen tắm đứng Đức Grohe 27615001
Bạn nên xem thêm:
Thiết bị vệ sinh cao cấp LuxBath tự hào là nhà cung cấp sen tắm Grohe 27615001 với giá thấp nhất, dịch vụ sau bán hàng tốt nhất trên thị trường.
Thông tin chi tiết liên hệ:
CÔNG TY CỔ PHẦN QUỐC TẾ LUXBATH
Liên hệ hotline 0 9 8 9 1 2 3 7 8 8 để nhận nhiều ưu đãi!