Grohe là nhãn hiệu thiết bị vệ sinh cao cấp nhất thế giới về sen vòi bởi chất lượng, tính thẩm mỹ, tính chính xác và sự độc đáo.
Thông tin cơ bản về đầu nối ra nước Grohe 27057AL0:
- ✅Tên sản phẩm: Đầu nối ra nước
- ✅Mã sản phẩm: 27057AL0
- ✅Nhãn hiệu: Grohe
- ✅Chất liệu: Đồng mạ crom
- ✅Màu sắc: chrome
- ✅Kiểu dáng:
- ✅Xuất xứ: Đức
- ✅Bảo hành:

Hình ảnh: Đàu nối ra nước Grohe 27057AL0
Tính năng nổi bật bật đầu nối ra nước Đức Grohe 27057AL0:
- ✅Bề mặt Chrome GROHE StarLight
Thông số kỹ thuật đầu nối ra nước nhập khẩu Grohe 27057AL0:
- ✅Trọng lượng sản phẩm:
- ✅Chiều cao: mm
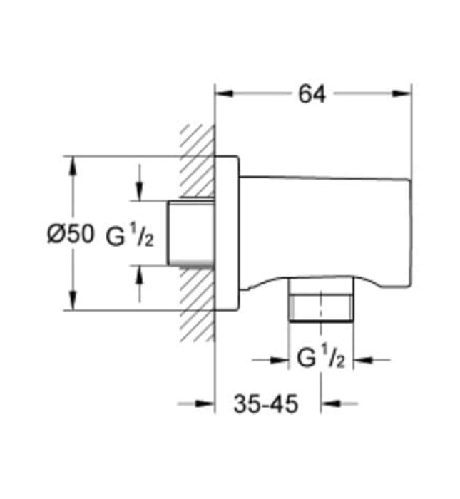
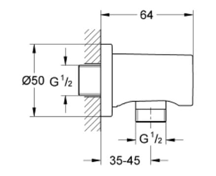
- ✅Chiều từ tường ra: 64mm
Bản vẽ kỹ thuật đầu nối ra nước Đức Grohe 27057AL0:
.jpg)
Hình ảnh: Bản vẽ kỹ thuật đầu nối ra nước Grohe 27057AL0
Bạn nên xem thêm:
Thiết bị vệ sinh cao cấp LuxBath tự hào là nhà cung cấp linh phụ kiện Grohe 27057AL0 với giá thấp nhất, dịch vụ sau bán hàng tốt nhất trên thị trường.
Thông tin chi tiết liên hệ:
CÔNG TY CỔ PHẦN QUỐC TẾ LUXBATH
Liên hệ hotline 0 9 8 9 1 2 3 7 8 8 để nhận nhiều ưu đãi!