Grohe là nhãn hiệu thiết bị vệ sinh cao cấp nhất thế giới về sen vòi bởi chất lượng, tính thẩm mỹ, tính chính xác và sự độc đáo.
Thông tin cơ bản về mặt nạ sen âm Đức Grohe 26359000:
- ✅Tên sản phẩm: Mặt nạ sen âm tường
- ✅Mã sản phẩm: 26359000
- ✅Nhãn hiệu: Grohe
- ✅Áp lực nước: 0.05 MPa ~ 0.75 MPa
- ✅Chất liệu chủ yếu: Đồng (Cu)
- ✅Lớp mạ: Crom/Niken
- ✅Hiệu suất dòng chảy bát sen: 24L/Phút
- ✅Hiệu suất dòng chảy tay sen: 12L/phút
- ✅Kiểu dáng:
- ✅Xuất xứ: Đức
- ✅Bảo hành:

Hình ảnh: Mặt Nạ Sen Âm Đức Grohe 26359000
- ✅GROHE StarLight : Bề mặt sáng bóng như bề mặt kim cương
- ✅GROHE SafeStop: Ổn định nhiệt ở 38 độ C
- ✅GROHE SafeStop Plus : giới hạn nhiệt độ , tùy chỉnh ở 43 độ C
- ✅GROHE QuickFix : Giảm thời gian lắp đặt lên đến 40%
Thông số kỹ thuật bộ âm ổn nhiệt Grohe 26359000:
- ✅Trọng lượng sản phẩm:
- ✅Chiều dài: mm
- ✅Chiều ngang: mm
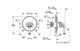
Bản vẽ kỹ thuật mặt nạ sen âm Đức Grohe 26359000:
.jpg)
Hình ảnh: Bản vẽ kỹ thuật mặt nạ sen tắm âm tường Đức Grohe 26359000
Bạn nên xem thêm:
Thiết bị vệ sinh cao cấp LuxBath tự hào là nhà cung cấp Mặt Nạ Sen Âm Đức Grohe 26359000 với giá thấp nhất, dịch vụ sau bán hàng tốt nhất trên thị trường.
Thông tin chi tiết liên hệ:
CÔNG TY CỔ PHẦN QUỐC TẾ LUXBATH
Liên hệ hotline 0 9 8 9 1 2 3 7 8 8 để nhận nhiều ưu đãi!