Grohe là nhãn hiệu thiết bị vệ sinh cao cấp nhất thế giới về sen vòi bởi chất lượng, tính thẩm mỹ, tính chính xác và sự độc đáo.
Thông tin cơ bản về sen tắm đứng Đức Grohe 26241000:
- ✅Tên sản phẩm: sen tắm cây đứng
- ✅Mã sản phẩm: 26241000
- ✅Nhãn hiệu: Grohe
- ✅Chất liệu: Đồng mạ crom
- ✅Màu sắc: chrome
- ✅Kiểu dáng: Thiết kế treo tường
- ✅Áp suất tối thiểu 1,0 bar
- ✅Chức năng:
- ✅Xuất xứ: Đức
- ✅Bảo hành:

Hình ảnh: sen tắm đứng Đức Grohe 26241000
Tính năng nổi bật cây sen tắm đứng Grohe 26241000:
- ✅Chế độ phun hoàn hảo GROHE DreamSpray
- ✅Bề mặt Chrome GROHE StarLight
- ✅Hệ thống chống cặn vôi SpeedClean
- ✅Công nghệ Inner WaterGuide tăng tuổi thọ vòi sen
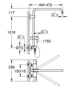
Thông số kỹ thuật thanh trượt sen tắm Grohe 26241000
- ✅Trọng lượng sản phẩm:
- ✅Chiều cao: 1016mm
- ✅Chiều từ tường ra: 464-472mm
Bản vẽ kỹ thuật sen tắm Đức Grohe 26241000:
.jpg)
Hình ảnh: Bản vẽ kỹ thuật sen cây đứng Đức Grohe 26241000
Bạn nên xem thêm:
Thiết bị vệ sinh cao cấp LuxBath tự hào là nhà cung cấp Sen Tắm Đức Grohe 26241000 với giá thấp nhất, dịch vụ sau bán hàng tốt nhất trên thị trường.
Thông tin chi tiết liên hệ:
CÔNG TY CỔ PHẦN QUỐC TẾ LUXBATH
Liên hệ hotline 0 9 8 9 1 2 3 7 8 8 để nhận nhiều ưu đãi!