Grohe là nhãn hiệu thiết bị vệ sinh cao cấp nhất thế giới về sen vòi bởi chất lượng, tính thẩm mỹ, tính chính xác và sự độc đáo.
Thông tin cơ bản về sen bồn tắm đặt sàn Đức Grohe 23672000:
- ✅Tên sản phẩm: Sen bồn tắm
- ✅Mã sản phẩm: 23672000
- ✅Nhãn hiệu: Grohe
- ✅Chất liệu: Đồng mạ chrome
- ✅Màu sắc: Chrome
- ✅Kiểu dáng: Đặt sàn
- ✅Áp suất tối thiểu 1,0 bar
- ✅Chức năng: 2 đường nước nóng lạnh
- ✅Xuất xứ: Đức
- ✅Bảo hành:

Hình ảnh: Sen bồn tắm đặt sàn Grohe 23672000
Tính năng nổi bật vòi sen bồn tắm nhập khẩu Grohe 23672000:
- ✅Bề mặt Chrome GROHE StarLight
- ✅Lõi van ceramic GROHE SilkMove 35mm
- ✅Bộ giới hạn lưu lượng điều chỉnh được
- ✅Bộ chuyển đổi tự động: sen bồn/tay sen
- ✅Tích hợp van một chiều trong miệng vòi 1/2”
- ✅Kèm theo gát tay vòi sen
Thông số kỹ thuật vòi sen bồn tắm đặt sàn Grohe 23672000:
- ✅Trọng lượng sản phẩm:
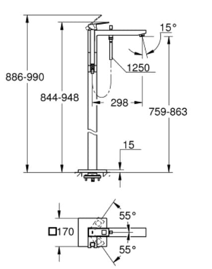
- ✅Chiều dài dây sen tắm: 1250 cm
Bản vẽ kỹ thuật sen vòi bồn tắm đặt sàn Grohe 23672000:
.jpg)
Hình ảnh: Bản vẽ sen tắm Đức Grohe 23672000
Bạn nên xem thêm:
Thiết bị vệ sinh cao cấp LuxBath tự hào là nhà cung cấp Vòi sen bồn tắm Grohe 23672000 với giá thấp nhất, dịch vụ sau bán hàng tốt nhất trên thị trường.
Thông tin chi tiết liên hệ:
CÔNG TY CỔ PHẦN QUỐC TẾ LUXBATH
Liên hệ hotline 0 9 8 9 1 2 3 7 8 8 để nhận nhiều ưu đãi!