Grohe là nhãn hiệu thiết bị vệ sinh cao cấp nhất thế giới về sen vòi bởi chất lượng, tính thẩm mỹ, tính chính xác và sự độc đáo.
Thông tin cơ bản về van góc Đức Grohe 22940000:
- ✅Tên sản phẩm: Van góc
- ✅Mã sản phẩm: 22940000
- ✅Nhãn hiệu: Grohe
- ✅Chất liệu: Đồng mạ crom
- ✅Màu sắc: chrome
- ✅Kiểu dáng:
- ✅Chức năng:
- ✅Xuất xứ: Đức
- ✅Bảo hành:

Hình ảnh: Van góc Đức Grohe 22940000
Công nghệ nổi bật van góc nhập khẩu Đức Grohe 22940000:
- ✅Starlight : Bề mặt sáng bóng theo thời gian từ lớp phủ mờ sang trọng
Thông số kỹ thuật van khóc nước Grohe 22940000:
- ✅Trọng lượng sản phẩm:
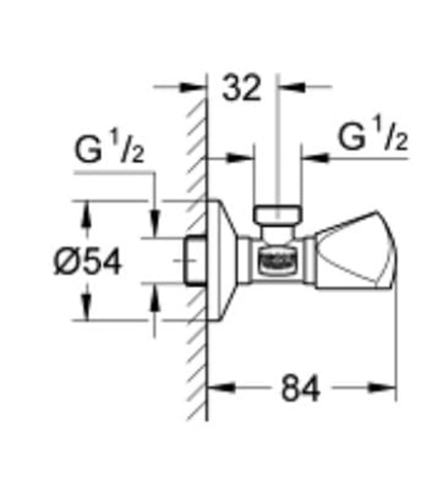
- ✅Chiều từ tường ra: 84mm
Bản vẽ kỹ thuật van góc cao cấp Grohe 22940000:
.webp)
Hình ảnh: Bản vẽ kỹ thuật van góc Grohe 22940000
Bạn nên xem thêm:
Thiết bị vệ sinh cao cấp LuxBath tự hào là nhà cung cấp van góc Đức Grohe 22940000 với giá thấp nhất, dịch vụ sau bán hàng tốt nhất trên thị trường.
Thông tin chi tiết liên hệ:
CÔNG TY CỔ PHẦN QUỐC TẾ LUXBATH
Liên hệ hotline 0 9 8 9 1 2 3 7 8 8 để nhận nhiều ưu đãi!