Chậu Rửa Lavabo COTTO C00380 MBK đặt bàn là chậu rửa mặt được nhiều khách hàng tìm kiếm trong thời gian gần đây. Sản phẩm nằm trong bộ siêu tập thiết bị vệ sinh COTTO hàng nhập khẩu trực tiếp từ Thái lan nên khách hàng an tâm về chất lượng của sản phẩm.

Hình ảnh: Chậu rửa mặt đặt bàn COTTO C00380 MBK
.jpg)
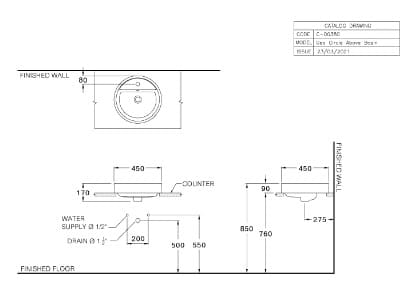
Hình ảnh: bản vẽ kỹ thuật Chậu rửa mặt COTTO C00380 MBK
Thiết bị phòng tắm cao cấp LuxBath tự hào là nhà cung cấp chậu COTTO C00380 MBK đặt bàn chính hãng với giá thấp nhất và dịch vụ sau bán hàng tốt nhất trên thị trường.
Hãy liên hệ với chúng tôi để đươc tư vấn và nhận được giá mua tốt nhất:
CÔNG TY CỔ PHẦN QUỐC TẾ LUXBATH
Liên hệ ngay 0989123788 để được tư vấn miễn phí và nhận nhiều ưu đãi!