Chậu dịch vụ COTTO C3300 treo tường là chậu dịch vụ được thiết kế phù hợp cho nhiều không gian nhà tắm khác nhau cho khách hàng. Sản phẩm nằm trong bộ thiết bị vệ sinh COTTO nhặp khẩu Thái Lan.
Thông tin chậu nôn treo tường COTTO C3300:
- ✅Mã sản phẩm: C2800
- ✅Tên sản phẩm: Chậu treo tường
- ✅Kích thước: 520 x 420 x 235 mm
- ✅Trọng lượng: kg
- ✅Chất liệu: Ceramic,
- ✅Công nghệ sản xuất: Thái Lan
- ✅Thương hiệu :Cotto

Hình ảnh: Chậu Dịch Vụ COTTO C3300
Tính năng chậu treo tường Cotto C3300:
- ✅Chậu rửa Cotto dễ dàng lắp đặt và tiết kiệm không gian
- ✅Công nghệ kháng khuẩn Ultra Clean+ ức chế sự phát triển của vi khuẩn lên đến 99% trong 24h và bề mặt bóng mịn.
- ✅Tránh tình trạng văng nước lên bề mặt đá, hạn chế lau chùi giúp tiết tiệm thời gian công sức một cách hiệu quả.
- ✅Lòng chậu khá sâu tránh tình trạng văng nước ra ngoài bền mặt chậu, tiện lợi khi dùng.
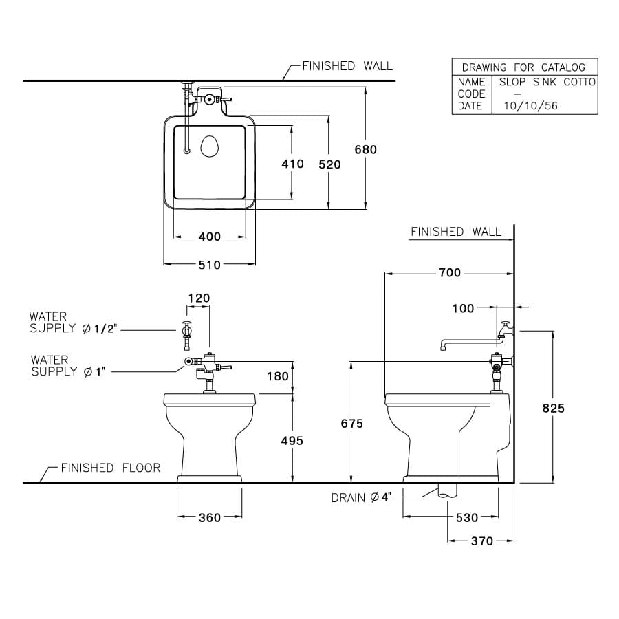
Bản vẽ kỹ thuật chậu nôn COTTO C3300:
.jpg)
Hình ảnh: bản vẽ kỹ thuật Chậu Treo Tường COTTO C3300
Thiết bị phòng tắm cao cấp LuxBath tự hào là nhà cung cấp chậu treo tường COTTO C3300 chính hãng với giá thấp nhất và dịch vụ sau bán hàng tốt nhất trên thị trường.
Hãy liên hệ với chúng tôi để đươc tư vấn và nhận được giá mua tốt nhất:
CÔNG TY CỔ PHẦN QUỐC TẾ LUXBATH
Liên hệ ngay 0989123788 để được tư vấn miễn phí và nhận nhiều ưu đãi!