Thông tin bàn cầu 2 khối COTTO C1391VN Magic
- Sản phẩm của thương hiệu thiết bị vệ sinh COTTO
- Bồn Cầu COTTO C1391VN xả nhấn trong bộ siêu tập Magic
- Thuộc dòng bồn cầu COTTO 2 khối kiểu dáng đẹp
- Thân dài, S Trap (305 mm), nắp đóng êm
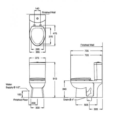
- Kích thước: 373 x 720 x 813 mm,
- Xả thẳng kết hợp xả xoáy
- Xả 2 nút nhấn: 3L/4.5L
- Bao gồm dây cấp nước và gioăng đế
- Áp lực nước: 0.05 MPa ~ 0.75 MPa
- Màu trắng
- Sản xuất tại Thái Lan
.jpg)
Hình ảnh: Bàn Cầu 2 Khối COTTO C1391VN Magic
Tính năng bồn cầu két rời COTTO C1391VN Magic:
- Thiết kế sang trọng, hiện đại phù hợp với nhiều công trình
- Bàn cầu nắp đóng êm không gây tiếng ồn khi sử dụng
- Xả thẳng kết hợp xả xoáy cuốn trôi mọi vết bẩn
- 2 chế độ xả nhấn: 3L/4,5L tiết kiệm nước
- Chiều cao thân cầu tạo cảm giác thoải mái cho người dùng
Bản vẽ kỹ thuật Bàn Cầu 2 Khối COTTO C1391VN Magic
.jpg)
Hình ảnh: Bản vẽ kỹ thuật Bàn Cầu 2 Khối COTTO C1391VN Magic
Thiết bị phòng tắm cao cấp LuxBath tự hào là nhà cung cấp Bàn Cầu 2 Khối COTTO C1391VN Magic chính hãng với giá thấp nhất và dịch vụ sau bán hàng tốt nhất trên thị trường.
Hãy liên hệ với chúng tôi để đươc tư vấn và nhận được giá mua tốt nhất:
CÔNG TY CỔ PHẦN QUỐC TẾ LUXBATH
Liên hệ ngay 0989123788 để được tư vấn miễn phí và nhận nhiều ưu đãi!