Bồn cầu 1 khối nắp rửa điện tử Cotto C1142(CV5) đến từ bộ siêu tập thiết bị vệ sinh Cotto nhập khẩu từ Thái Lan. Sản phẩm đang được nhiều khách hàng yêu thích và lựa chọn nhiều.
Thông tin Bàn Cầu 1 Khối nắp rửa điện tử COTTO C1142(CV5):
- ✅Tên sản phẩm: bồn càu 1 khối COTTO
- ✅Bồn cầu 1 khối Priz II
- ✅Thân dài, S trap(305mm), nắp êm
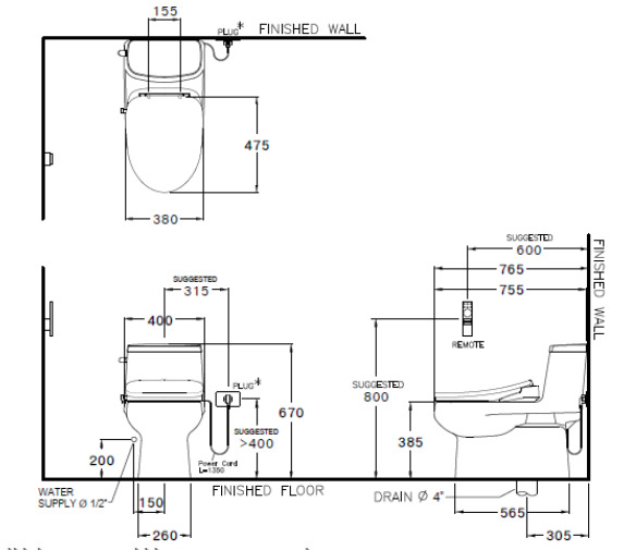
- ✅Kích thước(RxDxS): 400 x 755 x 680mm
- ✅Áp lực nước : 0.05 MPa ~ 0.75 MPa
- ✅Màu sắc: Trắng
- ✅Xả xiphong jet 6L
- ✅Bao gồm van khóa, đế cầu
- ✅Hãng sản xuất: COTTO
- ✅Xuất xứ : Thái Lan

Hình ảnh: Bàn Cầu 1 Khối nắp điện tử COTTO C1142(CV5)
- ✅Bồn cầu COTTO xả rửa mạnh mẽ, hiệu quả, cuốn trôi mọi chất bẩn trong 1 lần xả. Giữ cho bồn cầu sạch sẽ, tiết kiệm lượng nước sử dụng tối đa.
- ✅Dễ vệ sinh với thân bồn trơn nhẵn, chống bám bẩn hiệu quả. Hạn chế sử dụng chất tẩy rửa giúp an toàn cho sức khỏe và môi trường.
- ✅Thiết kế 1 khối nhỏ gọn, linh hoạt. Phong cách hiện đại, sang trọng, phù hợp với nhiều thiết kế của phòng tắm..
- ✅Nắp đóng êm giúp bồn cầu hoạt động nhẹ nhàng. Kết hợp hài hòa cùng thân
Bản vẽ kỹ thuật Bàn Cầu COTTO C1142(CV5):
.jpg)
Hình ảnh: Bản vẽ kỹ thuật Bàn Cầu COTTO C1142(CV5)
Thiết bị phòng tắm cao cấp LuxBath tự hào là nhà cung cấp Bàn Cầu 1 Khối COTTO C1142(CV5) chính hãng với giá thấp nhất và dịch vụ sau bán hàng tốt nhất trên thị trường.
Hãy liên hệ với chúng tôi để đươc tư vấn và nhận được giá mua tốt nhất:
CÔNG TY CỔ PHẦN QUỐC TẾ LUXBATH
Liên hệ ngay 0989123788 để được tư vấn miễn phí và nhận nhiều ưu đãi!