Axor là nhãn hiệu thiết bị vệ sinh cao cấp nhất thế giới về sen vòi bởi chất lượng, tính thẩm mỹ, tính chính xác và sự độc đáo.
Thông tin cơ bản về xi phông chậu rửa mặt Axor 51305670
- ✅Tên sản phẩm: Xi phông chậu rửa mặt
- ✅Mã sản phẩm: 51305670
- ✅Nhãn hiệu: Axor
- ✅Chất liệu: Đồng
- ✅Màu sắc: Đen
- ✅Hoàn thiện bên ngoài: Đen nhám
- ✅Kiểu xi phông: Xi phông chữ T
- ✅Xuất xứ: Đức
- ✅Bảo hành: 5 năm
.jpg)
Hình ảnh: Xi phông lavabo Đức Axor 51305670
- ✅Sản xuất tại Đức
- ✅Chống bám bẩn
- ✅Bền đẹp mãi với thời gian
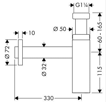
Thông số kỹ thuật xi phông chậu rửa mặt nhập khẩu Đức Axor 51305670
- ✅Kích thước (Dài x Rộng x Cao): 330 x 50 x 175-280mm
Bản vẽ kỹ thuật xifong lavabo Axor 51305670

Hình ảnh: Bản vẽ bộ xi phông chậu rửa mặt Axor 51305670
Bạn nên xem thêm:
Thiết bị vệ sinh cao cấp LuxBath tự hào là nhà cung cấp bộ xi phông lavabo nhập khẩu Đức Axor 51305670 với giá thấp nhất, dịch vụ sau bán hàng tốt nhất trên thị trường.
Thông tin chi tiết liên hệ:
CÔNG TY CỔ PHẦN QUỐC TẾ LUXBATH
Liên hệ hotline 0 9 8 9 1 2 3 7 8 8 để nhận nhiều ưu đãi!