Thông tin cơ bản về vòi lavabo rửa mặt Axor 48060000
- ✅Tên sản phẩm: Vòi lavabo chậu rửa mặt
- ✅Mã sản phẩm: 48060000
- ✅Nhãn hiệu: Axor
- ✅Chất liệu: Đồng mạ chrome
- ✅Màu sắc: Chrome
- ✅Hoàn thiện bên ngoài: Chrome mịn
- ✅Kiểu vòi: 2 chân thấp
- ✅Chức năng: 2 đường nước nóng lạnh
- ✅Vận hành: Gạt tay
- ✅Xuất xứ: Đức
- ✅Bảo hành: 5 năm
.jpg)
Hình ảnh: Vòi nước lavabo Axor 48060000
- ✅Sản xuất tại Đức
- ✅Thiết kế thẩm mỹ, công phu
- ✅Nước mạ chrome sáng mịn
- ✅Bền đẹp mãi với thời gian
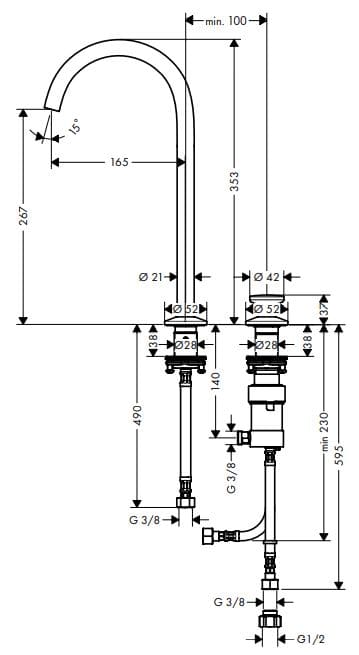
Thông số kỹ thuật vòi nước lavabo nóng lạnh Đức Axor 48060000
- ✅Chiều cao vòi: 353mm
- ✅Chiều cao miệng vòi: 267mm
- ✅Tâm xả: 165mm
Bản vẽ kỹ thuật vòi nước bồn rửa nhập khẩu từ Đức Axor 48060000

Hình ảnh: Bản vẽ vòi nước lavabo nóng lạnh Axor 48060000
Bạn nên xem thêm:
Thiết bị vệ sinh cao cấp LuxBath tự hào là nhà cung cấp vòi lavabo nhập khẩu Đức Axor 48060000 với giá thấp nhất, dịch vụ sau bán hàng tốt nhất trên thị trường.
Thông tin chi tiết liên hệ:
CÔNG TY CỔ PHẦN QUỐC TẾ LUXBATH
Liên hệ hotline 0 9 8 9 1 2 3 7 8 8 để nhận nhiều ưu đãi!