Thông tin cơ bản về vòi xả lavabo Axor Citterio 39034820

Hình ảnh: Vòi rửa mặt Đức Axor 39034820
- ✅Sản xuất tại Đức
- ✅Thiết kế đẹp mắt, mới lạ
- ✅Bền đẹp mãi với thời gian
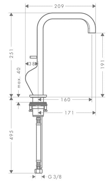
Thông số kỹ thuật vòi nước lavabo nóng lạnh Đức Axor Citterio 39034820
- ✅Chiều cao vòi: 251mm
- ✅Chiều cao đến miệng vòi: 191mm
- ✅Chiều dài vòi: 209mm
- ✅Chiều dài tâm xả: 160mm
Bản vẽ kỹ thuật vòi rửa tay nóng lạnh Axor Citterio 39034820 nhập khẩu từ Đức

Bạn nên xem thêm:
Thiết bị vệ sinh cao cấp LuxBath tự hào là nhà cung cấp vòi lavabo nóng lạnh nhập khẩu Đức Axor 39034820 thuộc bộ sưu tập Citterio với giá thấp nhất, dịch vụ sau bán hàng tốt nhất trên thị trường.
Thông tin chi tiết liên hệ:
CÔNG TY CỔ PHẦN QUỐC TẾ LUXBATH
Liên hệ hotline 0 9 8 9 1 2 3 7 8 8 để nhận nhiều ưu đãi!