Thông tin cơ bản về mặt nạ đóng mở sen tắm âm tường Axor 12716310
- ✅Tên sản phẩm: Mặt nạ sen âm tường
- ✅Mã sản phẩm: 12716310
- ✅Nhãn hiệu: Axor
- ✅Chất liệu: Đồng
- ✅Màu sắc: Đồng đỏ
- ✅Hoàn thiện bên ngoài: Đồng đỏ xước
- ✅Chức năng: Đóng mở / chuyển hướng sen tắm nhiệt độ âm tường
- ✅Xuất xứ: Đức
- ✅Bảo hành: 5 năm

Hình ảnh: Mặt nạ sen tắm âm tường nóng lạnh Axor 12716310
- ✅2 chế độ
- ✅Khóa an toàn ở 40 độ C
- ✅Chịu được áp lực nước lên đến 10 bar
- ✅Sản xuất tại Đức
- ✅Thiết kế thẩm mỹ, tinh tế
- ✅Chất liệu đồng cao cấp
- ✅Bền đẹp mãi với thời gian
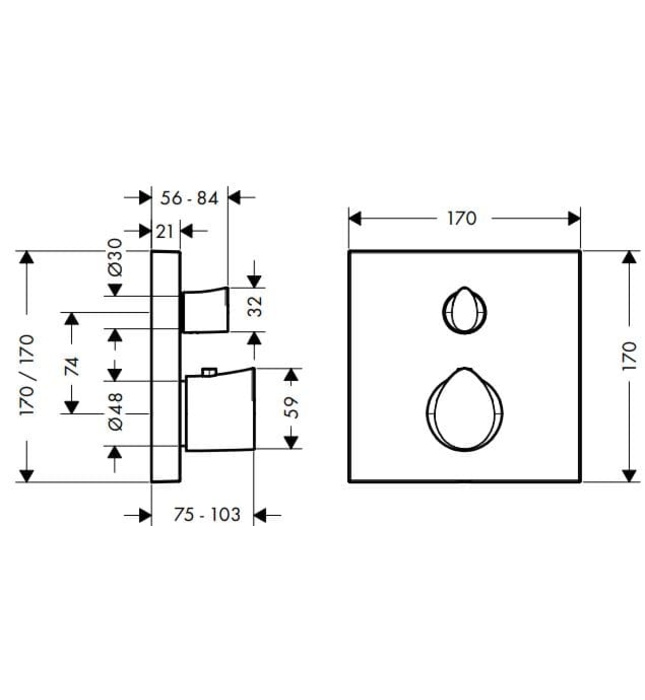
Thông số kỹ thuật mặt nạ chuyển hướng sen tắm nóng lạnh âm tường Đức Axor 12716310
- ✅Đường kính mặt nạ: 170x170mm
- ✅Chiều cao mặt nạ: 75-103mm
Bản vẽ kỹ thuật mặt nạ bộ trộn sen âm tường 2 chế độ Axor 12716310

Hình ảnh: Bản vẽ mặt nạ sen tắm Đức Axor 12716310
Bạn nên xem thêm:
Thiết bị vệ sinh cao cấp LuxBath tự hào là nhà cung cấp mặt nạ sen tắm nhiệt độ âm tường Axor Starck Organic 12716310 với giá tốt nhất, dịch vụ sau bán hàng tốt nhất trên thị trường.
Thông tin chi tiết liên hệ:
CÔNG TY CỔ PHẦN QUỐC TẾ LUXBATH
Liên hệ hotline 0 9 8 9 1 2 3 7 8 8 để nhận nhiều ưu đãi!