Thông tin cơ bản về sen âm tường Axor 12417340
- ✅Tên sản phẩm: Sen bồn tắm
- ✅Mã sản phẩm: 12417340
- ✅Nhãn hiệu: Axor
- ✅Chất liệu: Đồng
- ✅Màu sắc: Đen
- ✅Hoàn thiện bên ngoài: Đen chrome xước
- ✅Kiểu sen: Sen bồn tắm âm tường
- ✅Xuất xứ: Đức
- ✅Bảo hành: 5 năm

Hình ảnh: Sen bồn tắm âm tường Đức Axor 12417340
- ✅1 chế độ
- ✅Sản xuất tại Đức
- ✅Thiết kế thẩm mỹ, sang trọng
- ✅Bền đẹp mãi với thời gian
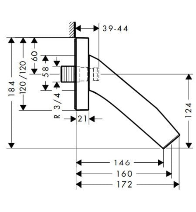
Thông số kỹ thuật vòi tắm bồn hoa sen Đức Axor 12417340
- ✅Kích thước mặt bích: 120x120mm
- ✅Chiều rộng: 172mm
- ✅Chiều cao: 184mm
Bản vẽ kỹ thuật sen bắt tường Đức Axor 12417340

Hình ảnh: Bản vẽ sen tắm âm tường Axor 12417340
Bạn nên xem thêm:
Thiết bị vệ sinh cao cấp LuxBath tự hào là nhà cung cấp sen bồn tắm Đức Axor 12417340 với giá thấp nhất, dịch vụ sau bán hàng tốt nhất trên thị trường.
Thông tin chi tiết liên hệ:
CÔNG TY CỔ PHẦN QUỐC TẾ LUXBATH
Liên hệ hotline 0 9 8 9 1 2 3 7 8 8 để nhận nhiều ưu đãi!