Thông tin cơ bản về miệng sen vòi bồn tắm Axor 10410950
- ✅Tên sản phẩm: Miệng sen bồn tắm âm tường
- ✅Mã sản phẩm: 10410950
- ✅Nhãn hiệu: Axor
- ✅Chất liệu: Đồng
- ✅Màu sắc: Vàng Pháp
- ✅Hoàn thiện bên ngoài: Vàng Pháp xước
- ✅Chức năng: Dẫn nước ra bồn tắm
- ✅Xuất xứ: Đức
- ✅Bảo hành: 5 năm

Hình ảnh: Sen bồn âm tường Axor 10410950
Ưu điểm nổi bật của sen bồn tắm treo tường Axor 10410950
- ✅Sản xuất tại Đức
- ✅Mặt phẳng nhẵn, dễ lau chùi
- ✅Chống xước, chống bám bẩn
- ✅Bền đẹp mãi với thời gian
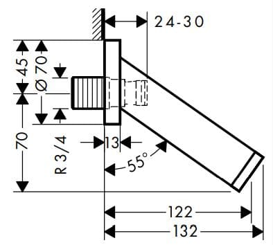
Thông số kỹ thuật sen bồn Đức Axor 10410950
- ✅Chiều dài vòi: 132mm
- ✅Chiều dài tâm vòi: 122mm
Bản vẽ kỹ thuật sen bồn tắm âm tường Axor 10410950

Hình ảnh: Bản vẽ vòi tắm treo tường Đức Axor 10410950
Bạn nên xem thêm:
Thiết bị vệ sinh cao cấp LuxBath tự hào là nhà cung cấp vòi tắm âm tường Đức Axor Starck 10410950 với giá tốt nhất, dịch vụ sau bán hàng tốt nhất trên thị trường.
Thông tin chi tiết liên hệ:
CÔNG TY CỔ PHẦN QUỐC TẾ LUXBATH
Liên hệ hotline 0 9 8 9 1 2 3 7 8 8 để nhận nhiều ưu đãi!