Axor là nhãn hiệu thiết bị vệ sinh cao cấp nhất thế giới. Chất lượng, tính thẩm mỹ, tính chính xác và sự độc đáo cá nhân hóa là điểm mạnh khiến tầng lớp thượng lưu luôn lựa chọn sử dụng.
Thông tin cơ bản về vòi xả lavabo Axor 10111300
- ✅Tên sản phẩm: Vòi chậu lavabo
- ✅Mã sản phẩm: 10111300
- ✅Nhãn hiệu: Axor
- ✅Chất liệu: Đồng
- ✅Màu sắc: Đồng đỏ
- ✅Hoàn thiện bên ngoài: Đồng đỏ bóng
- ✅Kiểu vòi: 1 chân
- ✅Chức năng: 2 đường nước nóng lạnh
- ✅Vận hành: Gạt tay
- ✅Xuất xứ: Đức
- ✅Bảo hành: 5 năm

Hình ảnh: Vòi chậu rửa mặt nóng lạnh Axor 10111300
- ✅Sản xuất tại Đức
- ✅Thiết kế đẹp mắt, mới lạ
- ✅Bền đẹp mãi với thời gian
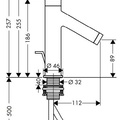
Thông số kỹ thuật vòi nước lavabo nóng lạnh Đức Axor 10111300
- ✅Chiều cao vòi: 255mm
- ✅Chiều cao đến miệng vòi: 89mm
- ✅Chiều dài tâm xả: 112mm
Bản vẽ kỹ thuật vòi rửa tay nóng lạnh Axor 10111300 nhập khẩu từ Đức

Hình ảnh: Bản vẽ vòi nước bồn rửa Axor 10111300
Bạn nên xem thêm:
Thiết bị vệ sinh cao cấp LuxBath tự hào là nhà cung cấp vòi lavabo nhập khẩu Đức Axor 10111300 với giá thấp nhất, dịch vụ sau bán hàng tốt nhất trên thị trường.
Thông tin chi tiết liên hệ:
CÔNG TY CỔ PHẦN QUỐC TẾ LUXBATH
Liên hệ hotline 0 9 8 9 1 2 3 7 8 8 để nhận nhiều ưu đãi!