Axor là nhãn hiệu thiết bị vệ sinh cao cấp nhất thế giới về sen vòi bởi chất lượng, tính thẩm mỹ, tính chính xác và sự độc đáo.
Thông tin cơ bản về vòi xả lavabo Axor 10007330
- ✅Tên sản phẩm: Vòi chậu lavabo
- ✅Mã sản phẩm: 10007330
- ✅Nhãn hiệu: Axor
- ✅Chất liệu: Đồng mạ chrome
- ✅Màu sắc: Đen
- ✅Hoàn thiện bên ngoài: Đen chrome bóng
- ✅Kiểu vòi: 1 chân
- ✅Chức năng: 2 đường nước nóng lạnh
- ✅Vận hành: Gạt tay
- ✅Xuất xứ: Đức
- ✅Bảo hành: 5 năm

Hình ảnh: Vòi chậu rửa mặt nóng lạnh Axor 10007330
- ✅Sản xuất tại Đức
- ✅Thiết kế đẹp tinh tế
- ✅Bền đẹp mãi với thời gian
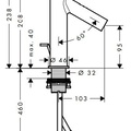
Thông số kỹ thuật vòi nước lavabo nóng lạnh Đức Axor 10007330
- ✅Chiều cao vòi: 208mm
- ✅Chiều cao miệng vòi: 95mm
- ✅Tâm xả: 103mm
Bản vẽ kỹ thuật vòi rửa tay nóng lạnh Axor 10007330 nhập khẩu từ Đức

Hình ảnh: Bản vẽ vòi nước bồn rửa tay Axor 10007330
Bạn nên xem thêm:
Thiết bị vệ sinh cao cấp LuxBath tự hào là nhà cung cấp vòi lavabo nóng lạnh nhập khẩu Đức Axor 10007330 với giá thấp nhất, dịch vụ sau bán hàng tốt nhất trên thị trường.
Thông tin chi tiết liên hệ:
CÔNG TY CỔ PHẦN QUỐC TẾ LUXBATH
Liên hệ hotline 0 9 8 9 1 2 3 7 8 8 để nhận nhiều ưu đãi!