Grohe là nhãn hiệu thiết bị vệ sinh cao cấp nhất thế giới về sen vòi bởi chất lượng, tính thẩm mỹ, tính chính xác và sự độc đáo.
Thông tin cơ bản về vòi xịt vệ sinh Đức Grohe 26714000:
- ✅Tên sản phẩm: Vòi xịt vệ sinh
- ✅Mã sản phẩm: 26714000
- ✅Sản phẩm bao gồm: dây sen, cài sen, tay sen
- ✅Nhãn hiệu: Grohe
- ✅Chất liệu: Đồng,crom,nickel,chrome
- ✅Màu sắc: chrome
- ✅Kiểu dáng: Thiết kế treo tường
- ✅Áp suất tối thiểu 1,0 bar
- ✅Chức năng:
- ✅Xuất xứ: Đức
- ✅Bảo hành:

Hình ảnh: Vòi xịt vệ sinh Đức Grohe 26714000
- ✅Starlight : Bề mặt sáng bóng theo thời gian từ lớp phủ mờ sang trọng.
- ✅Inner WaterGuide: tuổi thọ bền lâu
Thông số kỹ thuật vòi xịt vệ sinh Grohe 26714000:
- ✅Trọng lượng sản phẩm:
- ✅Chiều sâu: mm
- ✅Chiều từ tường ra: mm
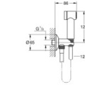
Bản vẽ kỹ thuật vòi xịt vệ sinh Đức Grohe 26714000:
.jpg)
Hình ảnh: Bản vẽ kỹ thuật vòi xịt vệ sinh Đức Grohe 26714000
Bạn nên xem thêm:
Thiết bị vệ sinh cao cấp LuxBath tự hào là nhà cung cấp vòi xịt vệ sinh Đức Grohe 26714000 với giá thấp nhất, dịch vụ sau bán hàng tốt nhất trên thị trường.
Thông tin chi tiết liên hệ:
CÔNG TY CỔ PHẦN QUỐC TẾ LUXBATH
Liên hệ hotline 0 9 8 9 1 2 3 7 8 8 để nhận nhiều ưu đãi!