Grohe là nhãn hiệu thiết bị vệ sinh cao cấp nhất thế giới về sen vòi bởi chất lượng, tính thẩm mỹ, tính chính xác và sự độc đáo.
Thông tin cơ bản về vòi chậu nóng lạnh gắn tường Đức Grohe 20589000:
- ✅Tên sản phẩm: vòi chậu nóng lạnh
- ✅Mã sản phẩm: 20589000
- ✅Nhãn hiệu: Grohe
- ✅Chất liệu: Đồng mạ chrome
- ✅Màu sắc:
- ✅Kiểu dáng: vòi 3 lỗ gắn tường
- ✅Chức năng: 2 đường nước nóng lạnh
- ✅Xuất xứ: Đức
- ✅Bảo hành:

Hình ảnh: Vòi chậu gắn tường Grohe 20589000
- ✅Atrio được trao chút, chế tạo thủ công bằng tay
- ✅Thiết kế hiện đại với 2 tay xoay lại tạo cảm giác tân cổ điển
- ✅thiết kế theo lối hình tròn và hình trụ
- ✅Độ chính xác cao trong các đường nét nhưng vẫn nhẹ nhàng , thanh lịch
- ✅Chưa bao gồm ống thải,nút nhấn
Thông số kỹ thuật vòi chậu 3 lỗ nóng lạnh Đức Grohe 20589000:
- ✅Trọng lượng sản phẩm: Kg
- ✅Chiều từ tường ra: mm
- ✅Chiều cao: mm
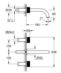
Bản vẽ kỹ thuật vòi lavabo âm tường Grohe 20589000:
.jpg)
Hình ảnh: Bản vẽ vòi rửa tay Đức Grohe 20589000
Bạn nên xem thêm:
Thiết bị vệ sinh cao cấp LuxBath tự hào là nhà cung cấp vòi lavabo 3 lỗ Grohe 20589000 với giá thấp nhất, dịch vụ sau bán hàng tốt nhất trên thị trường.
Thông tin chi tiết liên hệ:
CÔNG TY CỔ PHẦN QUỐC TẾ LUXBATH
Liên hệ hotline 0 9 8 9 1 2 3 7 8 8 để nhận nhiều ưu đãi!