Grohe là nhãn hiệu thiết bị vệ sinh cao cấp nhất thế giới về sen vòi bởi chất lượng, tính thẩm mỹ, tính chính xác và sự độc đáo.
Thông tin cơ bản về vòi chậu nóng lạnh Đức Grohe 20351AL0:
- ✅Tên sản phẩm: vòi chậu nóng lạnh
- ✅Mã sản phẩm: 20351AL0
- ✅Nhãn hiệu: Grohe
- ✅Chất liệu: Đồng mạ chrome
- ✅Màu sắc:
- ✅Kiểu dáng: vòi 3 lỗ
- ✅Chức năng: 2 đường nước nóng lạnh
- ✅Xuất xứ: Đức
- ✅Bảo hành:

Hình ảnh: Vòi chậu 13 lỗ Grohe 20351AL0
- ✅EcoJoy : 5.7l/phút , tiết kiệm nước
- ✅StarLight : Bề mặt sáng bóng theo thời gian từ lớp phủ mờ sang trọng
- ✅QuickFix Plus: Giảm thời gian lắp đặt
- ✅SilkMove : tay chỉnh mượt mà nhất lên đến 20 năm
Thông số kỹ thuật vòi chậu nóng lạnh Đức Grohe 20351AL0:
- ✅Trọng lượng sản phẩm: Kg
- ✅Chiều từ tường ra: mm
- ✅Chiều dài đầu vòi: mm
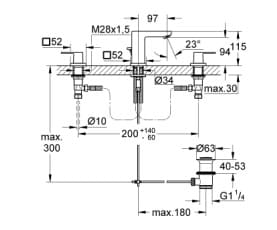
Bản vẽ kỹ thuật vòi lavabo Grohe 20351AL0:
.jpg)
Hình ảnh: Bản vẽ vòi rửa tay Đức Grohe 20351AL0
Bạn nên xem thêm:
Thiết bị vệ sinh cao cấp LuxBath tự hào là nhà cung cấp vòi lavabo Grohe 20351AL0 với giá thấp nhất, dịch vụ sau bán hàng tốt nhất trên thị trường.
Thông tin chi tiết liên hệ:
CÔNG TY CỔ PHẦN QUỐC TẾ LUXBATH
Liên hệ hotline 0 9 8 9 1 2 3 7 8 8 để nhận nhiều ưu đãi!