Thông tin cầu lọc rác Sekino 304GL02:
- ✅Mã sản phẩm: 304GL02
- ✅Loại sản phẩm: Cầu lọc rác
- ✅Chất liệu: Inox 304
- ✅Lắp đặt trên sân thượng
- ✅Xuất xứ: Việt Nam
- ✅Hãng sản xuất: Sekino
.jpg)
Hình ảnh: Cầu chắn rác Sekino 304GL02
Thông số kỹ thuật ga thoát sàn Sekino 304GL02:
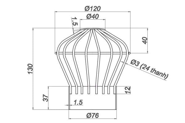
- ✅Kích thước: 120 x 120 x 130mm
- ✅Lắp cho ống nước: Ø90
- ✅Trọng lượng: g
Đặc điểm nổi bật cầu lọc rác Sekino 304GL02:
- ✅Sản xuất từ chất liệu Inox SUS304. Độ dày 3 mm, chịu được lực lớn, không bị conh vênh, móp méo
- ✅Có tác dụng thu nước mưa trên sân thượng, lọc rác và các vật cản tránh rơi xuống đường ống nước làm tắc đường ống.
- ✅Quả cầu được thiết kế với phần đế ôm, giúp lắp đặt dễ dàng giữ chắc chắn, rãnh dọc giúp giúp ngăn các loại rác nhỏ có thể đi xuống đường cống thải.
- ✅Sản phẩm được dùng trên sân thượng của nhà dân, các công trình nhà trung cư, trường học, khách sạn …
- ✅Ưu điểm của sản phảm là thoát nước cực nhanh, ngăn rác tốt, chống mùi hôi và chuột bọ
Bản vẽ kỹ thuật cầu lọc rác inox304 Sekino 304GL03:

Thiết bị phòng tắm cao cấp LuxBath tự hào là nhà cung cấp ga thoát sàn Sekino 304GL02 chính hãng Vinahasa với giá bán thấp nhất trên thị trường.
Hãy liên hệ với chúng tôi để đươc tư vấn và nhận được giá mua tốt nhất:
CÔNG TY CỔ PHẦN QUỐC TẾ LUXBATH
Liên hệ ngay 0989123788 để nhận được nhiều ưu đãi!
Đăng ngày 02 tháng 05 năm 2025 bởi luxbath