Thông số kỹ thuật két nước âm tường kèm khung Roca Duplo A8900700CE:
- ✅Mã sản phẩm: A8900700CE
- ✅Tên sản phẩm: Két nước âm tường kèm khung
- ✅Chất liệu: Nhựa
- ✅Dùng thân cầu treo tường thông thường
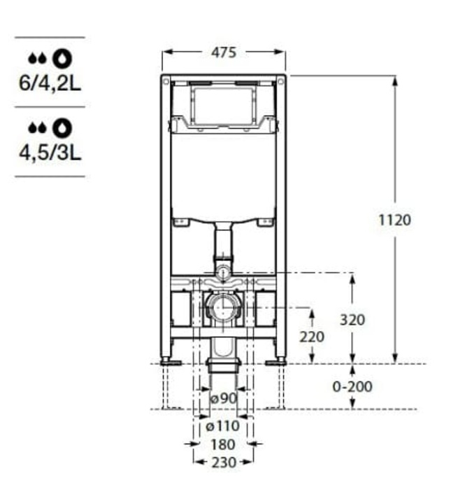
- ✅Kích thước 1120x475x195mm
- ✅Khung thép. Thùng nhựa
- ✅Xả 02 nhấn ( 3/4.5l )
- ✅Mặt nút xả gắn phía trước
- ✅Mua riêng
- ✅Hãng sản xuất : Roca
- ✅Sản xuất tại Trung Quốc

Hình ảnh: Két nước âm tường Roca Duplo A8900700CE
Tính năng thùng nước âm tường kèm khung Roca A8900700CE:
- ✅Dễ dàng lắp đặt và bảo dưỡng
- ✅Vật liệu chất lượng cao, chống va chạm và ăn mòn
- ✅Sức chịu tải tới 400KG
Bản vẽ kỹ thuật két nước âm tường Roca Duplo A8900700CE
.jpg)
Hãy liên hệ với chúng tôi để đươc tư vấn và nhận được giá mua tốt nhất:
CÔNG TY CỔ PHẦN QUỐC TẾ LUXBATH
- Trụ sở chính: 116 Thanh Đàm, Hoàng Mai, Hà Nội
- Điện thoại / Zalo: 0989123788
- Email: luxbath.vn@gmail.com
Gọi ngay 0 9 8 9 1 2 3 7 8 8 để nhận thêm những ưu đãi!