Grohe là nhãn hiệu thiết bị vệ sinh cao cấp nhất thế giới về phụ kiện bởi chất lượng, tính thẩm mỹ, tính chính xác và sự độc đáo.
Thông tin cơ bản về móc quần áo cao cấp Đức Grohe 41049DA0:
- ✅Tên sản phẩm: Móc quần áo
- ✅Mã sản phẩm: 41049DA0
- ✅Nhãn hiệu: Grohe
- ✅Chất liệu: Đồng mạ crom
- ✅Màu sắc: Chrome
- ✅Kiểu dáng: Thiết kế gắn tường
- ✅Chức năng:
- ✅Xuất xứ: Đức
- ✅Bảo hành:

Hình ảnh: Móc áo đơn Grohe 41049DA0
Tính năng nổi bật móc treo nhập khẩu Grohe 41049DA0:
- ✅Starlight : Bề mặt sáng bóng theo thời gian từ lớp phủ mờ sang trọng
Thông số kỹ thuật móc khăn nhà tắm Đức Grohe 41049DA0:
- ✅Trọng lượng sản phẩm: Kg
- ✅Chiều từ tường ra: mm
- ✅Chiều dài: mm
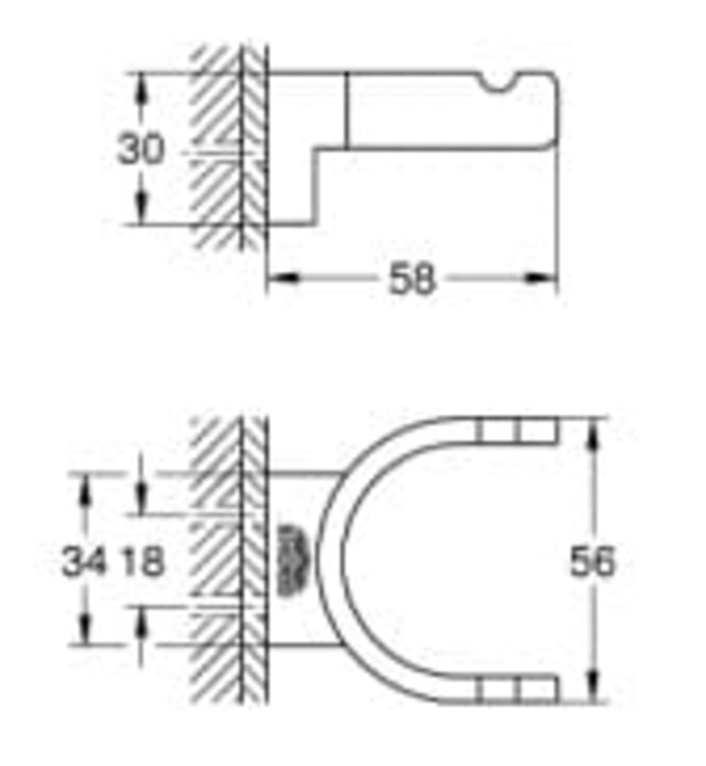
Bản vẽ kỹ thuật móc treo khăn gắn tường Grohe 41049DA0:
.jpg)
Hình ảnh: Bản vẽ móc áo đơn nhà tắm Đức Grohe 41049DA0
Bạn nên xem thêm:
Thiết bị vệ sinh cao cấp LuxBath tự hào là nhà cung cấp phụ kiện nhà tắm Grohe 41049DA0 với giá thấp nhất, dịch vụ sau bán hàng tốt nhất trên thị trường.
Thông tin chi tiết liên hệ:
CÔNG TY CỔ PHẦN QUỐC TẾ LUXBATH
Liên hệ hotline 0 9 8 9 1 2 3 7 8 8 để nhận nhiều ưu đãi!