Thông tin sen tắm Mirolin MK500-H200:
- ✅Tên sản phẩm: Sen tắm nóng lạnh
- ✅Mã sản phẩm: MK500-H200
- ✅Tay sen: H200
- ✅Áp lực nước: 0.05MPa ~ 0.75MPa
- ✅Chế độ nước: 2 đường nước nóng lạnh
- ✅Chất liệu: Đồng mạ Cr/Ni sáng bóng
- ✅Thương hiệu: Mirolin
- ✅Công nghệ sản xuất: Hàn Quốc
- ✅Xuất xứ: Nhập khẩu Hàn Quốc

Hình ảnh: Sen tắm 2 đường nóng lạnh Mirolin MK500-H200
Đặc điểm nổi bật sen tắm gắn tường nóng lạnh Mirolin MK500-H200:
- ✅Sen tắm Mirolin với thiết kế hiện đại, sang trọng, tăng tính thẩm mỹ cao cùng chất lượng vượt trội
- ✅Sử dụng chất liệu chủ yếu từ đồng mạ crom và niken sáng bóng, giảm thiểu quá trình oxy hoá làm hư hỏng lớp mạ của sản phẩm sau thời gian dài sử dụng
- ✅Bên trong củ sen có thiết kế lõi chia nước và van đóng mở nước
- ✅Lõi chia nước sen tắm Mirolin MK500-H200 được làm từ gốm sứ cao cấp nên có độ bền sản phẩm rất cao có thể kéo dài tuổi thọ nên đến tận 10 năm
- ✅Bát cầm tay làm từ nhựa cao cấp, thiết kế đẹp, phun nước mạnh
- ✅Hệ thống cung cấp nước nóng và lạnh riêng biệt, cho phép người dùng dễ dàng điều chỉnh tỉ lệ nóng lạnh theo mong muốn
- ✅Sen tắm được sản xuất theo dây chuyền đúc nguyên khối tạo cho sản phẩm sự chắc chắn, độ bền cao
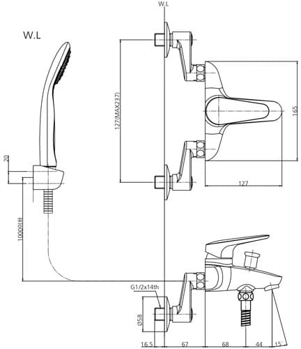
Bản vẽ kỹ thuật sen tắm thường Mirolin MK500-H200:

Hình ảnh: Bản vẽ sen tắm nóng lạnh thường Mirolin MK500-H200
Thiết bị phòng tắm cao cấp LuxBath tự hào là nhà cung cấp sen tắm nóng lạnh Mirolin MK500-H200 với giá tốt nhất, dịch vụ sau bán hàng tốt nhất trên thị trường.
Thông tin chi tiết liên hệ:
CÔNG TY CỔ PHẦN QUỐC TẾ LUXBATH
Hãy liên hệ 0 9 8 9 1 2 3 7 8 8 để được nhiều ưu đãi!