Thông tin máy sấy tay kèm vòi nước hộp xà phòng Mediclinics UCM093A:
- ✅Tên sản phẩm: Máy sấy khô tay đa năng
- ✅Mã sản phẩm: UCM093A
- ✅Chất liệu: đồng thau mạ crom
- ✅Hãng sản xuất: Mediclinics
- ✅Xuất xứ: Tây Ban Nha
.jpg)
Hình ảnh: Máy sấy tay cảm biến Mediclinics UCM093A
Thông số kỹ thuật máy sấy tay tự động Mediclinics UCM093A
- ✅Điện áp 220- 240 V
- ✅Độ dày vỏ 1,5 mm
- ✅Tần số 50/60 Hz
- ✅Thời gian sấy 10-15”
- ✅Cách điện cấp I Luồng khí hiệu quả 50-105 m3/h (835 -1.755 L/phút)
- ✅Tổng công suất 420 – 1.500 W
- ✅Tốc độ gió 190 – 400 Km/h
- ✅Mức tiêu thụ 3,2 –6,4 A
- ✅Nhiệt độ không khí (10 cm khoảng cách/22oC) 42 oC
- ✅Mức tiêu thụ ở chế độ chờ 0,3 W
- ✅Áp suất âm thanh () (ở 2m) 67-72 dBA
- ✅Công suất động cơ 420 – 1.100 W
- ✅Định mức bảo vệ IP23 Vòng/phút 19.000 – 30.000
- ✅Kích thước 330x213x170 mm
Ưu điểm nổi bật máy sấy tay Tây Ban Nha Mediclinics UCM093A:
- ✅Bộ rửa và sấy khô Mediclinics® All-in-one, bao gồm máy sấy tay + vòi nước + hộp đựng xà phòng, tất cả đều hoạt động bằng cảm biến và sẵn sàng để gắn lên tường. • Sẵn sàng hoạt động cùng nhau như một bộ hoàn chỉnh hoặc từng bộ phận,
- ✅Mediclinics® All-in-one đã được suy nghĩ và thiết kế để tránh nước bắn tung tóe trên sàn, tiết kiệm không gian và tốn ít thời gian hơn trong phòng vệ sinh.
- ✅Mediclinics® All-in-one treo tường rất lý tưởng cho các dự án xây dựng mới nhà vệ sinh công cộng có phòng bảo trì phía sau tường hoặc làm vách ngăn.
- ✅Giải pháp tổng thể Mediclinics® thân thiện với môi trường, tiết kiệm hơn 73% về mặt tiết kiệm kinh tế so với các giải pháp tương tự trên thị trường.
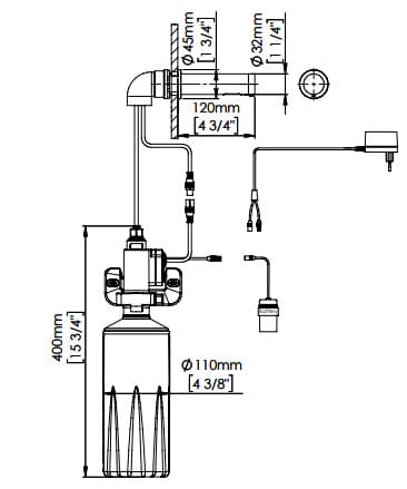
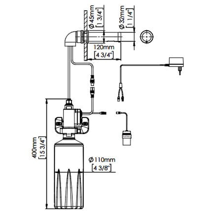
Bản vẽ kỹ thuật máy sấy tay siêu tốc gắn tường Mediclinics UCM093A:

Thiết bị phòng tắm cao cấp LuxBath tự hào là nhà cung cấp máy sấy tay siêu tốc Mediclinics UCM093A với giá tốt nhất, dịch vụ sau bán hàng tốt nhất trên thị trường.
Hãy liên hệ để đươc tư vấn và mua được giá tốt nhất
CÔNG TY CỔ PHẦN QUỐC TẾ LUXBATH
Hãy liên hệ 0 9 8 9 1 2 3 7 8 8 để nhận được nhiều ưu đãi!