Thông tin cơ bản về van điều khiển sen tắm âm tường Kohler K-880T-B-SN
- ✅Tên sản phẩm: Van âm sen tắm
- ✅Mã sản phẩm: K-880T-B-SN
- ✅Nhãn hiệu: Kohler
- ✅Chất liệu: Đồng
- ✅Chức năng:
- ✅Xuất xứ: Trung Quốc
- ✅Bảo hành: 1 năm

Hình ảnh: Van điều khiển sen tắm Kohler K-880T-B-SN
Tính năng nổi bật van âm tường sen tắm Kohler K-880T-B-SN
- ✅Chất liệu đồng cao cấp
- ✅Bền đẹp mãi với thời gian
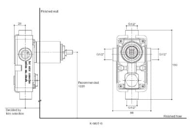
Bản vẽ kỹ thuật Van điều khiển sen tắm âm tường Kohler K-880T-B-SN
.webp)
HÌnh ảnh: Bản vẽ kỹ thuật van điều khiển sen tắm âm tường Kohler K-880T-B-SN
Bạn nên xem thêm:
Thiết bị vệ sinh cao cấp LuxBath tự hào là nhà cung cấp van điều khiển sen tắm âm tường Kohler K-880T-B-SN với giá tốt nhất, dịch vụ sau bán hàng tốt nhất trên thị trường.
Thông tin chi tiết liên hệ:
CÔNG TY CỔ PHẦN QUỐC TẾ LUXBATH
Liên hệ hotline 0 9 8 9 1 2 3 7 8 8 để nhận nhiều ưu đãi!