Thông số kỹ thuật mặt nạ sen tắm âm tường Kohler K-26480T-4-BL
- ✅Mã sản phẩm: K-26480T-4-BL
- ✅Tên sản phẩm: Mặt nạ âm tường
- ✅Bộ siêu tập:
- ✅Chất liệu:
- ✅Chức năng: 2 chiều
- ✅Kích thước: 40mm
- ✅Màu sắc:
- ✅Hãng sản xuất : Kohler
- ✅Sản xuất tại Trung Quốc

Hình ảnh: Mặt nạ sen tắm âm tường Kohler K-26480T-4-BL
- ✅Kết cấu kim loại cao cấp
- ✅Bề mặt mạ KOHLER chống ăn mòn và ố màu.
- ✅Giải pháp toàn diện cho phòng tắm: Có thể lên ý tưởng cho toàn bộ phòng tắm mà không gặp bất kỳ khó khăn nào về mặt thiết kế
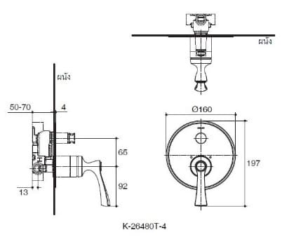
Bản vẽ kỹ thuật mặt nạ sen tắm âm tường 2 chiều Kohler Modulo K-26480T-4-BL:
.webp)
Hình ảnh: Bản vẽ kỹ mặt nạ sen tắm âm tường 2 chiều Kohler Modulo K-26480T-4-BL
Bạn nên xem thêm:
Hãy liên hệ với chúng tôi để đươc tư vấn và nhận được giá mua tốt nhất:
CÔNG TY CỔ PHẦN QUỐC TẾ LUXBATH
Gọi ngay 0989123788 hôm nay để nhận thêm những ưu đãi bất ngờ!