Thông tin cơ bản về vòi chậu Karat KFA-005-100:
- ✅Tên sản phẩm: Vòi chậu rửa mặt Karat
- ✅Mã sản phẩm: KFA-005-100
- ✅Chất liệu: Kim loại cao cấp
- ✅Màu sắc: màu chrome
- ✅Loại vòi: 1 lỗ
- ✅Thương hiệu: Karat
- ✅Xuất xứ: Trung Quốc

Hình ảnh: Vòi chậu rửa mặt Karat KFA-005-100
Đặc điểm nổi bật vòi lạnh Karat KFA-005-100:
- ✅Thiết kế tối giản, chắc chắn: Series 25 hướng đến sự thực dụng với thân vòi tròn, tay gạt dạng vòng hoặc thanh mảnh, dễ dàng thao tác cho cả người già và trẻ em.
- ✅Lớp mạ Chrome sáng bóng (-50): Dù ở phân khúc giá rẻ, Karat vẫn trang bị lớp mạ Niken-Chrome chất lượng, giúp sản phẩm có độ bóng tốt và khả năng chống rỉ sét vượt trội so với các dòng vòi không thương hiệu.
- ✅Chất liệu hợp kim đồng bền bỉ: Thân vòi được đúc từ chất liệu có độ bền cao, chịu được áp lực nước tốt và đảm bảo an toàn cho sức khỏe người dùng.
- ✅Lõi van đĩa sứ Ceramic: Giúp việc đóng mở nước nhẹ nhàng, chính xác và ngăn chặn tình trạng rò rỉ nước lãng phí.
- ✅Cấu tạo vòi 1 đường nước: Chuyên dụng cho các khu vực chỉ sử dụng nước lạnh, giúp việc lắp đặt trở nên nhanh chóng và dễ dàng.
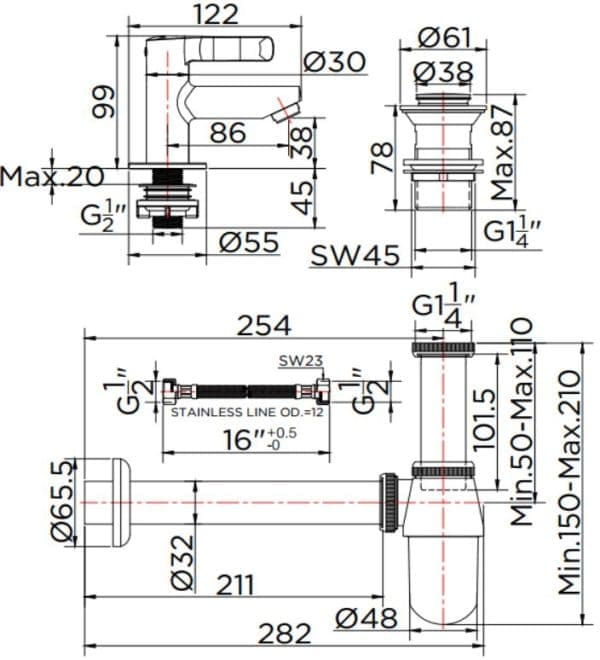
Bản vẽ kỹ thuật vòi chậu rửa 1 lỗ nước lạnh Karat KFA-005-100:
.jpg)
Hình ảnh: Bản vẽ kỹ thuật vòi chậu rửa 1 lỗ nước lạnh Karat KFA-005-100