Thông tin mặt nạ âm tường Kallista P80256-LV-CP:
- ✅Tên sản phẩm: Mặt nạ điều khiển âm lượng
- ✅Mã sản phẩm: P80256-LV-CP
- ✅Thuộc bộ sưu tập: Vir stil minimal
- ✅Màu: Chrome bóng
- ✅Loại: Gắn tường
- ✅Chất liệu: Đồng
- ✅Xuất xứ: Mỹ
- ✅Hãng sản xuất: Kallista
- ✅Yêu cầu: Bộ phận lắp ráp thô bán riêng

Hình ảnh: Mặt nạ điều khiển Kallista P80256-LV-CP
Thông số kỹ thuật của mặt nạ chuyển đổi âm lượng Kallista P80256-LV-CP:
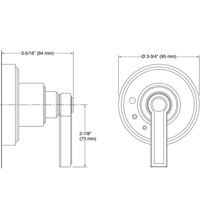
- ✅Đường kính: 95mm
- ✅Tầm với: 84mm
Bản vẽ kỹ thuật của mặt nạ đổi âm lượng Kallista P80256-LV-CP:

Hình ảnh: Bản vẽ mặt nạ điều chỉnh âm Kallista P80256-LV-CP
Đặc điểm nổi bật của mặt nạ chỉnh âm Kallista P80256-LV-CP:
- ✅Với tay cầm đòn bẩy thanh mảnh và tỷ lệ cân đối, mặt nạ điều chỉnh âm lượng Vir Stil Minimal là sự bổ sung bắt mắt cho phòng tắm hiện đại
- ✅Mang đến trải nghiệm tắm tùy chỉnh cho người dùng
- ✅Kết cấu đồng thau chất lượng cao đảm bảo độ bền và độ sáng bóng của sản phẩm
Thiết bị phòng tắm cao cấp LuxBath tự hào là nhà cung cấp mặt nạ điều khiển âm lượng Kallista P80256-LV-CP với giá bán thấp nhất, dịch vụ tốt nhất trên thị trường.
Thông tin chi tiết liên hệ:
CÔNG TY CỔ PHẦN QUỐC TẾ LUXBATH
Hãy liên hệ 0 9 8 9 1 2 3 7 8 8 để được tư vấn miễn phí và nhận nhiều ưu đãi!