Thông tin mặt nạ âm tường Kallista P25022-CR-SN:
- ✅Tên sản phẩm: Mặt nạ điều chỉnh nhiệt độ
- ✅Mã sản phẩm: P25022-CR-SN
- ✅Thuộc bộ sưu tập: Script
- ✅Màu: Nickel bóng
- ✅Loại: Gắn tường
- ✅Chất liệu: Đồng
- ✅Xuất xứ: Mỹ
- ✅Hãng sản xuất: Kallista
- ✅Yêu cầu: Bộ phận lắp ráp thô bán riêng

Hình ảnh: Mặt nạ điều chỉnh Kallista P25022-CR-SN
Thông số kỹ thuật của mặt nạ chỉnh nhiệt Kallista P25022-CR-SN:
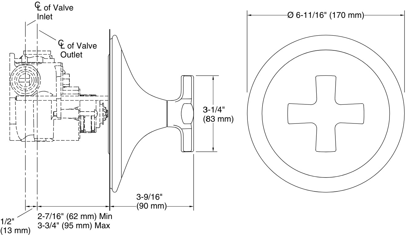
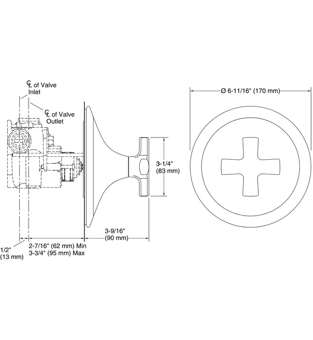
- ✅Đường kính: 170mm
- ✅Tầm với của vòi: 90mm
Bản vẽ kỹ thuật của mặt nạ điều nhiệt Kallista P25022-CR-SN:

Hình ảnh: Bản vẽ mặt nạ điều chỉnh gắn tường Kallista P25022-CR-SN
Đặc điểm nổi bật của mặt nạ chỉnh nhiệt Kallista P25022-CR-SN:
- ✅Nổi bật về hình dáng được chế tác tinh xảo, mặt nạ nhiệt độ với tay cầm chéo mang đến giải pháp thanh lịch cho không gian phòng tắm hiện đại
- ✅Cho phép người tắm cài đặt nhiệt độ chính xác nhờ công nghệ ổn nhiệt
- ✅Kết cấu kim loại chất lượng cao đảm bảo độ bền và độ sáng bóng của sản phẩm
Thiết bị phòng tắm cao cấp LuxBath tự hào là nhà cung cấp mặt nạ điều chỉnh nhiệt độ Kallista P25022-CR-SN với giá bán thấp nhất, dịch vụ tốt nhất trên thị trường.
Thông tin chi tiết liên hệ:
CÔNG TY CỔ PHẦN QUỐC TẾ LUXBATH
Hãy liên hệ 0 9 8 9 1 2 3 7 8 8 để được tư vấn miễn phí và nhận nhiều ưu đãi!